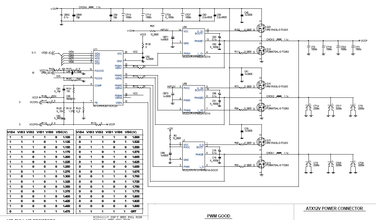
Mạch VRM ổn áp nguồn cho CPU trên mainboard MSI

Bạn đưa trỏ chuột vào sơ đồ để xem chú thích

IC dao động tạo các xung PWM để điều khiển các cặp Mosfet IC đảo pha, tách xung PWM ra thành hai pha ngược nhau đưa đến điều khiển hai đèn Mosfet trên mọt cặp IC đảo pha, tách xung PWM ra thành hai pha ngược nhau đưa đến điều khiển hai đèn Mosfet trên mọt cặp IC đảo pha, tách xung PWM ra thành hai pha ngược nhau đưa đến điều khiển hai đèn Mosfet trên mọt cặp Hai đèn Mosfet trong một cặp hoạt động đóng ngắt theo nhịp dao động của xung PWM tạo ra điện áp xung ở điểm giữa của hai đèn Hai đèn Mosfet trong một cặp hoạt động đóng ngắt theo nhịp dao động của xung PWM tạo ra điện áp xung ở điểm giữa của hai đèn Hai đèn Mosfet trong một cặp hoạt động đóng ngắt theo nhịp dao động của xung PWM tạo ra điện áp xung ở điểm giữa của hai đèn Cuộn dây kết hợp với tụ điện tạo thành mạch lọc đầu ra để lọc điện áp xung thành điện áp một chiều Cuộn dây kết hợp với tụ điện tạo thành mạch lọc đầu ra để lọc điện áp xung thành điện áp một chiều Cuộn dây kết hợp với tụ điện tạo thành mạch lọc đầu ra để lọc điện áp xung thành điện áp một chiều Các tụ lọc 6,3V kết hợp với các cuộn dây tạo thành mạch lọc, lọc điện áp xung thành áp một chiều ở đầu ra Các tụ lọc 6,3V kết hợp với các cuộn dây tạo thành mạch lọc, lọc điện áp xung thành áp một chiều ở đầu ra Các tụ lọc 6,3V kết hợp với các cuộn dây tạo thành mạch lọc, lọc điện áp xung thành áp một chiều ở đầu ra Mạch lọc L-C lọc điện áp đầu vào Bảng giá trị điện áp ra của mạch VRM khi các giá trị Logic của các chân VID thay đổi