Các mạch điện tử cơ bản
BẠN ĐANG HỌC TRÊN TRANG WEB HTTP://HOCNGHETRUCTUYEN.VN
CỦA TRUNG TÂM DẠY NGHỀ CÔNG NGHỆ CAO BÁCH KHOA
- ĐỊA CHỈ DUY NHẤT : 78 PHỐ VỌNG - HÀ NỘI
![]() Lớp sửa chữa Laptop tại Trung tâm đào tạo công nghệ cao Bách Khoa 1 - Mạch khuếch đại 1.1 - Khái niệm về mạch khuyếh đại . Mạch khuyếch đại được sử dụng trong hầu hết các thiết bị điện tử, như mạch khuyếch đại âm tần trong Cassete, Âmply, Khuyếch đại tín hiệu video trong Ti vi mầu v.v ... Có ba loại mạch khuyếch đại chính là :
1.2 - Các chế độ hoạt động của mạch khuyếch đại. Các chế độ hoạt động của mạch khuyếch đại là phụ thuộc vào chế độ phân cực cho Transistor, tuỳ theo mục đích sử dụng mà mạch khuyếch đại được phân cực để KĐ ở chế độ A, chế độ B , chế độ AB hoặc chế độ C a) Mạch khuyếch đại ở chế độ A.
Mạch khuyếch đại chế độ A khuyếch đại * Để Transistor hoạt động ở chế độ A, ta phải định
thiên sao cho điện áp UCE
~ 60% ÷ 70% Vcc. b) Mach khuyếch đại ở chế độ
B.
Mạch khuyếch đại ở chế độ B chỉ khuyếch * Mạch khuyếch đại chế độ B thường được sử dụng trong các mạch khuếch đại công xuất đẩy kéo như công xuất âm tần, công xuất mành của Ti vi, trong các mạch công xuất đẩy kéo , người ta dùng hai đèn NPN và PNP mắc nối tiếp , mỗi đèn sẽ khuyếch đại một bán chu kỳ của tín hiệu, hai đèn trong mạch khuyếch đại đẩy kéo phải có các thông số kỹ thuật như nhau : * Mạch khuyếch đại công xuất kết hợp cả hai chế độ A và B .
Mạch khuyếch đại công xuất Âmply có : Q1 khuyếch đại ở
c) Mạch khuyếch đại ở chế độ AB. d) Mạch khuyếch đại ở chế độ C
Ứng dụng mạch khuyếch đại chế độ C trong 2 - Các kiểu mắc của Transistor 2.1 - Transistor mắc theo kiểu E chung. Mạch mắc theo kiểu E chung có cực E đấu trực tiếp xuống mass hoặc đấu qua tụ xuống mass để thoát thành phần xoay chiều, tín hiệu đưa vào cực B và lấy ra trên cực C, mạch có sơ đồ như sau :
Mạch khuyếch đại điện áp mắc kiểu E chung , Rg : là điện trở ghánh ,
Rđt : Là điện trở Đặc điểm của mạch khuyếch đại E chung.
2.2 - Transistor mắc theo kiểu C chung. Mạch mắc theo kiểu C chung có chân C đấu vào mass hoặc dương nguồn ( Lưu ý : về phương diện xoay chiều thì dương nguồn tương đương với mass ) , Tín hiệu được đưa vào cực B và lấy ra trên cực E , mạch có sơ đồ như sau :
Mạch mắc kiểu C chung , tín hiệu đưa Đặc điểm của mạch khuyếch đại C chung .
2.3 - Transistor mắc theo kiểu B chung.
Mạch khuyếch đại kiểu B chung , khuyếch
3.1 - Ghép tầng qua tụ điện.
Mạch khuyếch đại đầu từ - có hai tầng khuyếch
3.2 - Ghép tầng qua biến áp .
Tầng Trung tần tiếng của Radio sử dụng biến áp ghép tầng.
3.3 - Ghép tầng trực tiếp . * Kiểu ghép tầng trực tiếp thường được dùng trong các mạch khuyếch đại công xuất âm tần.
Mạch khuyếch đại công xuất âm tần có đèn đảo pha Q1
4.1 - Trong các mạch khuyếch đại ( chế độ A ) thì phân cực như thế nào là đúng.
Mạch khuyếch đại được phân cực đúng.
4.2 - Mạch khuyếch đại ( chế độ A ) bị phân cực sai.
Mạch khuyếch đại bị phân cực sai, điện áp UCE quá thấp .
Mạch khuyếch đại bị phân cực sai, điện áp UCE quá cao .
Phương pháp kiểm tra một tầng khuyếch đại.
|
| 5 - Mạch chỉnh lưu điện xoay
chiều 5.1 - Bộ nguồn trong các mạch điện tử . Trong các mạch điện tử của các thiết bị như Radio -Cassette, Âmlpy, Ti vi mầu, Đầu VCD v v... chúng sử dụng nguồn một chiều DC ở các mức điện áp khác nhau, nhưng ở ngoài zắc cắm của các thiết bị này lại cắm trực tiếp vào nguồn điện AC 220V 50Hz , như vậy các thiết bị điện tử cần có một bộ phận để chuyển đổi từ nguồn xoay chiều ra điện áp một chiều , cung cấp cho các mạch trên, bộ phận chuyển đổi bao gồm :
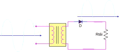
Sơ đồ tổng quát của mạch cấp nguồn. 5.2 - Mạch chỉnh lưu bán chu kỳ . Mạch chỉnh lưu bán chu kỳ sử dụng một Diode mắc nối tiếp với tải tiêu thụ, ở chu kỳ dương => Diode được phân cực thuận do đó có dòng điện đi qua diode và đi qua tải, ở chu kỳ âm , Diode bị phân cực ngược do đó không có dòng qua tải.
Dạng điện áp đầu ra của mạch chỉnh lưu bán chu kỳ. 5.3 Mạch chỉnh lưu cả chu kỳ Mạch chỉnh lưu cả chu kỳ thường dùng 4 Diode mắc theo hình cầu (còn gọi là mạch chỉnh lưu cầu) như hình dưới.
Mạch chỉnh lưu cả chu kỳ .
6 - Mạch lọc và mạch chỉnh lưu bội áp 6.1 - Mạch lọc dùng tụ điện. Sau khi chỉnh lưu ta thu được điện áp một chiều nhấp nhô, nếu không có tụ lọc thì điện áp nhấp nhô này chưa thể dùng được vào các mạch điện tử , do đó trong các mạch nguồn, ta phải lắp thêm các tụ lọc có trị số từ vài trăm µF đến vài ngàn µF vào sau cầu Diode chỉnh lưu.
Dạng điện áp DC của mạch chỉnh lưu
Minh hoạ : Điện dụng của tụ lọc càng lớn
6.2 - Mạch chỉnh lưu nhân 2 .
Sơ đồ mạch nguồn chỉnh lưu nhân 2
7 - Mạch ổn áp cố định 7.1 - Mạch ổn áp cố định dùng Diode Zener. . Mạch ổn áp tạo áp 33V cố định cung cấp
I1 = (110 - 33 ) / 7500 = 77 / 7500 ~ 10mA Thông thường ta nên để dòng ngược qua Dz ≤ 25 mA 7.2 - Mạch ổn áp cố định dùng Transistor, IC ổn áp . Mạch ổn áp dùng Diode Zener như trên có ưu điểm là đơn giản nhưng nhược điểm là cho dòng điện nhỏ ( ≤ 20mA ) . Để có thể tạo ra một điện áp cố định nhưng cho dòng điện mạnh hơn nhiều lần người ta mắc thêm Transistor để khuyếch đại về dòng như sơ đồ dưới đây.
Mạch ổn áp có Transistor khuyếch đại
IC ổn áp họ LA78.. IC ổn áp LA7805
Lưu ý : Họ IC78.. chỉ cho dòng tiêu thụ khoảng 1A trở xuống, khi ráp IC trong mạch thì U in > Uout từ 3 đến 5V khi đó IC mới phát huy tác dụng. 7.3 - Ứng dụng của IC ổn áp họ 78.. IC ổn áp họ 78.. được dùng rộng rãi trong các bộ nguồn , như Bộ nguồn của đầu VCD, trong Ti vi mầu, trong máy tính v v...
Ứng dụng của IC ổn áp LA7805 và 8 - Mạch ổn áp tuyến tính (có hồi tiếp) 8.1 - Sơ đồ khối của mạch ổn áp có hồi tiếp .
Sơ đồ khối của mạch ổn áp có hồi tiếp . * Một số đặc điểm của mạch ổn áp có hồi tiếp :
* Nguyên tắc hoạt động của mạch.
8.2 - Phân tích hoạt động của mạch nguồn có hồi tiếp trong Ti vi đen trắng Samsung Điện áp đầu vào còn gợn xoay chiều Điện áp đầu ra bằng phẳng
Mạch ổn áp tuyến tính trong Ti vi Samsung đen trắng . * Ý nghĩa các linh kiện trên sơ đồ.
* Nguyên lý hoạt động .
8.3 - Mạch nguồn Ti vi nội địa nhật.
Sơ đồ mạch nguồn ổn áp tuyến tính
Bài tập : Bạn đọc hãy phân
tích nguyên
|
BẠN ĐANG HỌC TRÊN TRANG WEB HTTP://HOCNGHETRUCTUYEN.VN
CỦA TRUNG TÂM DẠY NGHỀ CÔNG NGHỆ CAO BÁCH KHOA
- ĐỊA CHỈ DUY NHẤT : 78 PHỐ VỌNG - HÀ NỘI

Lớp sửa chữa Tivi LCD tại TRUNG TÂM ĐÀO TẠO CÔNG NGHỆ CAO BÁCH KHOA
| 9
- Mạch tạo dao động 9.1 - Khái niệm về mạch dao động. Mạch dao động được ứng dụng rất nhiều trong các thiết bị điện tử, như mạch dao động nội trong khối RF Radio, trong bộ kênh Ti vi mầu, Mạch dao động tạo xung dòng , xung mành trong Ti vi , tạo sóng hình sin cho IC Vi xử lý hoạt động v v...
9.2 - Mạch dao động hình Sin * Mạch dao động hình Sin dùng L - C
Mạch dao động hình Sin dùng L - C
f = 1 / 2.p.( L1.C1 )1/2 * Mạch dao động hình sin dùng thạch anh.
Mạch tạo dao động bằng thạch anh .
Thạch anh dao động trong Tivi mầu, máy tính 9.3 - Mạch dao động đa hài.
Mạch dao động đa hài tạo xung vuông * Bạn có thể tự lắp sơ đồ trên với các thông số như sau :
* Giải thích nguyên lý hoạt
động : Khi cấp nguồn , giả sử đèn Q1
dẫn trước, áp Uc đèn Q1 giảm => thông qua C1 làm áp Ub đèn Q2 giảm => Q2 tắt
=> áp Uc đèn Q2 tăng => thông qua C2 làm áp Ub đèn Q1 tăng => xác lập trạng
thái Q1 dẫn bão hoà và Q2 tắt , sau khoảng thời gian t , dòng nạp qua R3 vào
tụ C1 khi điện áp này > 0,6V thì đèn Q2 dẫn => áp Uc đèn Q2 giảm => tiếp tục
như vậy cho đến khi Q2 dẫn bão hoà và Q1 tắt, trạng thái lặp đi lặp lại và
tạo thành dao động, chu kỳ dao động phụ thuộc vào C1, C2 và R2, R3. 10 - Thiết kế mạch dao động bằng IC IC tạo dao động XX555 ; XX có thể là TA hoặc LA v v ...
Mạch dao động tạo xung bằng IC 555
T = Thời gian của một chu kỳ toàn phần tính bằng (s)
T = Tm + Ts T :
chu kỳ toàn phần
Chu kỳ toàn phần T bao gồm thời gian có điện
* Thí dụ bạn thiết kế mạch tạo xung như hình dưới đây.
Mạch tạo xung có Tm = 0,1s , Ts = 1s Bài tập : Lắp mạch dao động trên với các thông số :
Bài làm :
Mạch dao động nghẹt ( Blocking OSC ) Mạh dao động nghẹt có nguyên tắc hoạt động khá đơn giản, mạch được sử dụng rộng rãi trong các bộ nguồn xung ( switching ), mạch có cấu tạo như sau :
Mạch dao động nghẹt Mạch dao động nghẹt bao gồm :
Có hai kiểu mắc hồi tiếp là hồi tiếp dương và hồi tiếp âm, ta xét cấu tạo và nguyên tắc hoạt động của từng mạch. * Mạch dao động nghẹt hồi tiếp âm .
* Mạch dao động nghẹt hồi tiếp dương .
* Xem lại lý thuyế về cảm ứng điện từ :
Thí nghiệm về hiện tượng cảm ứng điện từ trong biến áp. Ở thí nghiệm trên ta thấy rằng , bóng đèn chỉ loé sáng trong thời điểm công tắc đóng hoặc ngắt , nghĩa là khi dòng điện chạy qua cuộn sơ cấp biến đổi, trong trường hợp có dòng điện chạy qua cuộn sơ cấp nhưng không đổi cũng không tạo ra điện áp cảm trên cuộn thứ cấp
|



















