Nguyên lý Radio Casette
BẠN ĐANG HỌC TRÊN TRANG WEB HTTP://HOCNGHETRUCTUYEN.VN
CỦA TRUNG TÂM DẠY NGHỀ CÔNG NGHỆ CAO BÁCH KHOA
- ĐỊA CHỈ DUY NHẤT : 78 PHỐ VỌNG - HÀ NỘI
| 1. Sơ đồ khối của Radio -
Cassette .
Sơ đồ khối của Radio - Cassette Phân tích sơ đồ khối của Radio - Cassette
Radio - Cassette SONY Các biểu hiện ( bệnh đặc trưng ) khi hỏng các tầng của máy.
Để có thể sửa được các bệnh trên, các bài sau chúng tôi sẽ giúp bạn tìm hiểu nguyên lý hoạt động chi tiết của mỗi khối , và phương pháp kiểm tra sửa chữa của từng bệnh cụ thể. 2. Khối cấp nguồn của Radio - Cassette. a) Chức năng các linh kiện trong mạch cấp nguồn và các tầng tiêu thụ nguồn
Sơ đồ mạch cấp nguồn của Radio - Cassette
b) Minh hoạ sự hoạt động của mạch cấp nguồn trong các trường hợp : Tắt máy - Mở Radio - Mở Cassette .
Sơ đồ minh hoạ đường nguồn Vcc cho các tầng trong
=> Nắm vững nguyên lý của mạch cấp nguồn trong Radio - Cassette , sẽ giúp bạn tìm Pan và sửa chữa Radio - Cassette trở lên đơn giản vì đa số hư hỏng của Radio - Cassette đều có liên quan đến mạch cấp nguồn. => Nguyên lý hoạt động của biến áp nguồn, mạch chỉnh lưu, mạch lọc, mạch ổn áp cố định chúng tôi đã giới thiệu ở các chương trước, để hiểu được phần này , nhất thiết bạn phải tìm hiểu về phần linh kiện trong các chương ở trên. c) Phương pháp kiểm tra sửa chữa khối cấp nguồn .
Hư hỏng khối cấp nguồn thường có biểu hiện máy không vào điện, không có đèn báo nguồn, băng không quay. Kiểm tra :
3. Khối khuyếch đại công suất 3.1 - Tầng khuếch đại công suất dùng Transistor Sơ đồ tầng khuyếch đại công suất sử dụng Transistor Nhiệm vụ của các linh kiện :
Tầng khuyếch đại công suất dùng Transistor Phân tích nguyên lý hoạt động của tầng công suất
3.2 - Tầng khuếch đại công suất dùng IC Khái niệm về IC công suất : IC là viết tắt của từ Intergated Circuit nghĩa là mạch tích hợp : là mạch điện tử gồm nhiều linh kiện tích hợp trong một khối duy nhất để thực hiện một hay nhiều chức năng , thí dụ IC công suất âm tần thì làm chức năng khuếch đại công suất âm tần, IC tổng trong Ti vi mầu có thể thực hiện hàng chục các chức năng khác nhau.
IC khuếch đại công suất âm tần trong Cassette Với mạch sử dụng IC khuếch đại công suất ta cần nắm được các điểm chính sau :
Đặc điểm về điện áp và trở kháng của các chân IC
Phương pháp xá định IC công suất và các chân quan trọng
IC khuếch đại công suất âm tần Phương pháp kiểm tra loa và tầng khuếch đại công suất Hỏng loa : Biểu hiện của hỏng loa là không có tiếng hoặc tiếng bị dè.
Kiểm tra : Để đồng hồ
thang x1W quẹt quẹt vào hai đầu mối hàn trên
loa, nếu có tiếng sột sột và đo thấy trở kháng báo từ 4W
- 8W là loa còn tốt . Hỏng IC công xuất : IC công suất thường hỏng ở hai trường hợp :
Các bước kiểm tra tầng công suất :
4. Mạch Graphic Equalizer Equalizer là mạch điều chỉnh sự cân bằng tín hiệu giữa các tần số trong giải tần âm thanh, còn gọi là mạch điều chỉnh âm sắc, đơn giản nhất của mạch Equalizer là mạch Bass Treec với hai núm chỉnh, thông thường mạch Equa lizer có 5 cần gạt chỉnh cho 5 vùng tần số là 100Hz, 300Hz, 1KHz, 3KHz và 10KHz. Từ kiến thức vật lý PTTH ta biết rằng, âm thanh con người nghe được có giải tần từ 20Hz đến 20KHz và gọi là tín hiệu âm tần, tần số nhỏ hơn 20Hz gọi là hạ tần, tần số từ 20KHz đến 30KHz gọi là sóng siêu âm, còn tần số trên 30KHz là sóng cao tần. Giải tần âm thanh mà con người có thể cảm nhận từ 20Hz đền 20 KHz nhưng các thiết bị âm thanh thường bị hạn chế về mặt tần số. Thí dụ đài Cassette thường chỉ truyền đạt được giải tần từ 50Hz đến 10 KHz, Điện thoại di động chỉ truyền đạt được giải tần từ 300Hz đến 3KHz, các thiết bị cho dải tần tốt là đầu đĩa CD, máy nghe nhạc kỹ thuật số.
Dải tần số mà con người sử dụng trong lĩnh vực điện tử. 4.1. Mạch điều chỉnh Bass - Treec
Vùng tần số của núm chỉnh Bass - Treec
Sơ đồ mạch điều chỉnh Bass - Treec
Sơ đồ nguyên lý của mạch điều chỉnh Bass - Treec
Triết áp 100KW dùng để lắp
mạch 4.2. Mạch Equalizer có 5 cần gạt. Để có thể điều chỉnh được nhiều vùng tần số hơn , người ta thường lắp mạch Equalizer có 5 cần gạt .
Dải tần điều chỉnh của mạch Equalizer 5 cần gạt.
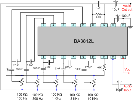
Sơ đồ mạch Equalizer 5 cần gạt sử dụng IC Bạn có thể thiết kế mạch Equalizer 5 cần gạt như các thông số của sơ đồ trên, sau đó bạn có thể sử dụng vào tăng âm hoặc bộ kích cho loa thùng.., nguồn điện nuôi Vcc cho IC là 6V DC. 4.3 - Phương pháp kiểm tra sửa chữa tầng Equalizer Khi hỏng tầng Equaizer thường sinh ra các hiện tượng như . Mất âm thanh ra loa trong khi băng vẫn quay, hoặc âm thanh nói nhỏ, hoặc điều chỉnh các cần gạt ít tác dụng. Kiểm tra :
Sơ đồ mạch cấp nguồn cho tầng Equalizer
|
BẠN ĐANG HỌC TRÊN TRANG WEB HTTP://HOCNGHETRUCTUYEN.VN
CỦA TRUNG TÂM DẠY NGHỀ CÔNG NGHỆ CAO BÁCH KHOA
- ĐỊA CHỈ DUY NHẤT : 78 PHỐ VỌNG - HÀ NỘI
| 5 - Nguyên lý phát sóng AM
và FM 5.1 - Nguyên lý phát và thu thanh trên sóng AM a) Khái niệm về tín hiệu âm tần ( Audio )
:
Micro đổi sóng âm thanh thành tín hiệu âm tần (Audio) Tín hiệu âm tần có giải tần từ 20Hz đến 20KHz và không có khả năng bức xạ thành sóng điện từ để truyền trong không gian, do đó để truyền tín hiệu âm tần đi xa hàng trăm, hàng ngàn Km. Người ta phải giử tín hiệu âm tần cần truyền vào sóng cao tần gọi là sóng mang, sau đó cho sóng mang bức xạ thành sóng điện từ truyền đi xa với vận tốc ánh sáng. b) Khái niệm về tín hiệu cao tần
và sóng điện từ. c) Quá trình điều chế AM (
Amplitude Moducation : Điều chế biên độ )
Tín hiệu vào và ra của mạch điều chế AM Tín hiệu âm tần có thể lấy từ Micro sau đó khuếch đại
qua mạch khuếch đại âm tần, hoặc có thể lấy từ các thiết bị khác như đài
Cassette, Đầu đĩa CD .. d) Quá trình phát tín hiệu ở đài phát .
Quá trình phát sóng Radio AM Tín hiệu sau khi điều chế thành sóng mang được khuếch
đại lên công xuất hàng ngàn Wat sau đó được truyền ra Anten phát . e) Đường truyền từ đài phát đến
máy thu cách nửa vòng trái đất.
Đường truyền sóng của các Đài phát f) Ưu và nhược điểm của phát
thanh trên sóng AM 5.2 - Nguyên lý phát thanh trên sóng FM FM là viết tắt của ( Fryquency Moducation : Điều chế tần
số ) là điều chế theo phương thức làm thay đổi tần số của tín hiệu cao tần
theo biên độ của tín hiệu âm tần, khoảng tần số biến đổi là 150KHz a) Mạch điều chế FM
Điều chế FM ( Fryquency Moducation : Điều chế tần số ) Với mạch điều chế tần số thì sóng mang có biên độ không
đổi, nhưng tần số thay đổi theo biên độ của tín hiệu âm tần, khi biên độ tín
hiệu âm tần tăng thì tần số cao tần tăng, khi biên độ âm tần giảm thì tần số
cao tần giảm. Như vậy sóng mang FM có tần số tăng giảm theo tín hiệu âm tần
và giới hạn tăng giảm này là +150KHz và -150KHz , như vậy tần số sóng mang
điều tần có dải thông là 300KHZ. b) Quá trình phát sóng FM
c) Ưu và nhược điểm của sóng FM .
6 - Bộ cơ Cassette 6.1 - Tóm lược các nguyên tắc hoạt động của Cassette a) Nguyên tắc ghi băng Cassette
Bộ cơ và băng từ Hệ cơ kéo băng trong hộp cassette di chuyển với tốc độ
đều ngang qua hai đầu từ, hai đầu từ ép sát vào băng từ, băng từ di chuyển
qua đầu xoá trước rồi mới qua đầu ghi.
Đưa trỏ chuột vào sơ đồ để xem chú thích Mạch khuếch đại đầu từ ở chế độ ghi âm từ Micro, tín hiệu từ Micro đi qua chuyển mạch ghi và được khuếch đại qua tầng Head Amply sau đó đi qua chuyển mạch Function để tiếp nhận thêm tín hiệu từ Radio, sau đó vòng trở lại qua chuyển mạch ghi đưa về đầu từ Ghi/đọc để ghi lên băng từ.
Minh hoạ quá trình ghi băng từ Micro b) Nguyên tắc phát băng
Đưa trỏ chuột vào sơ đồ để xem chú thích Băng đã ghi, trên mặt băng bị từ hoá sẽ gồm những nam châm nhỏ li ti xếp nằm nối tiếp nhau, khi phát băng những nam châm phóng từ thông vào khe sắt của đầu đọc, từ thông tập trung vào lõi sắt non của đầu từ tạo ra trên cuộn dây sức điện động cảm ứng tức là tín hiệu âm tần, tín hiệu này đi qua chuyển mạch ghi vào tầng khuếch đại đầu từ và qua các tầng Equalizer, khuếch đại công xuất rồi đưa ra loa. c) Nguyên tắc xoá băng. Có thể xoá băng ( làm mất các vệt từ hoá trên mặt băng) theo ba cách
6.2 - Đầu từ và mạch khuếch đai đầu từ ( Head & Head Amply)
Cấu tạo của đầu từ Có 3 loại đầu từ : Ghi - Phát và đầu từ xoá , nhưng cấu
tạo thì giống nhau cũng gồm Cuộn dây, lõi sắt non và khe sắt để mở đường cho
từ thông vào hoặc ra khỏi lõi sắt.
Nguyên lý hoạt động của đầu từ Hình dangh thực tế Mạch khuếch đại đầu từ :
Mạch khuếch đại đầu từ Tín hiệu đọc ra từ đầu từ thường rất yếu cần được khuếch đại nâng biên độ lên đủ lớn trước khi đưa sang tầng KĐ công xuất, mạch khuếch đại đầu từ có thể sử dụng hai đến 3 tầng KĐ bằng Transistor, hoặc sử dụng IC, mạch KĐ đầu từ làm hai nhiệm vụ : KĐại tín hiệu từ đầu từ trong quá trình phát băng và KĐại tín hiệu từ Micro trong quá trình ghi âm. 6.3 - Hư hỏng thường gặp của đầu từ và mạch khuếch đại đầu từ . Đầu từ mòn :
Thay đầu từ : Hỏng tầng khuếch đại đầu từ : Sửa tầng khuếch đại đầu từ : 6.4 - Các chi tiết trên bộ cơ Đưa trỏ chuột vào các chi tiết để xem chú thích.
Phía trước bộ cơ
Phía sau bộ cơ . 6.5 - Các hư hỏng thường gặp của bộ cơ . Bệnh
1 : Máy có điện vào, Radio vẫn hoạt động,
mở băng không quay
Khắc phục :
Bệnh 2 : Băng thường xuyên bị rối, hoặc trục thu băng không quay Nguyên nhân :
Khắc phục :
Bệnh 3 : Tiếng bị méo nghe dề rà lúc nhanh lúc chậm Nguyên nhân:
Khắc phục :
Bệnh 4 : Băng bị nhá quăn mép Nguyên nhân :
Khắc phục :
Bệnh 5 : Âm thanh nghe trầm và nhỏ Nguyên nhân :
Khắc phục :
6. 6 - Mô tơ và
mạch ổn tốc. Mạch ổn tốc
Mạch ổn tốc cho mô tơ.
Bạn đọc hãy tự lắp một chiếc Cassette theo sơ đồ mạch dưới đây, sau
khi lắp thành công bạn sẽ tự rút ra cho mình được nhiều kinh nghiệm bổ ích.
Sơ đồ Cassette đơn giản - Nguồn 12V DC Bảng thông số và giá thành các
linh kiện của sơ đồ mạch trên
|
||||||||||||||||||||||||||||||||||||||||||||||||||||||||||||||||||||||||||||||||||||||||||||||||||||||






















