Nguyên lý truyền hình
BẠN ĐANG HỌC TRÊN TRANG WEB HTTP://HOCNGHETRUCTUYEN.VN
CỦA TRUNG TÂM DẠY NGHỀ CÔNG NGHỆ CAO BÁCH KHOA
- ĐỊA CHỈ DUY NHẤT : 78 PHỐ VỌNG - HÀ NỘI
I - Nguyên lý truyền hình Analog.
| 1 - Nguyên lý thu phát truyền
hình 1.1 - Đặc điểm của mắt người. Trước khi xây dựng lên ngành công nghiệp truyền hình, người ta phải nghiên cứu những đặc điểm của mắt người, nghiên cứu ở các góc độ có liên quan đến kỹ thuật truyền hình chứ không đi sâu vào cấu tạo của mắt, mắt người có một số đặc điểm sau : a) Đặc tính phổ :
Phổ điện từ và khoảng tần số ánh sáng thấy được. Trong khoảng ánh sáng thấy được là tập hợp của nhiều mầu sắc : Đỏ - Cam - Vàng - Lục - Lam - Tràm - Tím , và độ nhậy của mắt với các mầu sắc cũng không đều, mắt nhạy cảm nhất với mầu lục và giảm dần với các mầu xung quanh
Mắt có độ nhạy cao nhất với mầu lục Với mỗi mầu sắc ( ảnh đặc trưng) đều có 3 thông số là :
Sắc mầu, độ bão hoà mầu, và độ chói của mầu. b) Độ nhạy tương phản .
Ảnh có độ tương phản cao Ảnh có độ tương phản thấp Mắt người có khả năng phân biệt được hai điểm sáng có độ tương phản hơn kém nhau khoảng 0,02 lần. c) Khả năng phân giải của mắt .
Mắt người nhìn hai điểm A, B theo một góc hẹp α Mắt người chỉ có khả năng phân biệt được hai điểm A, B
trên khi nhìn từ một góc α > 1,5' , nếu góc α <
1,5' thì mắt người không có khả năng phân biệt được hai điểm riêng rẽ, dựa
vào đặc điểm này trong truyền hình người ta chỉ phát lại các điểm ảnh rời
rạc sao cho từ mắt người nhìn vào các điểm ảnh với một góc nhìn đủ nhỏ để ta
không thấy được đó là hai điểm phân biệt. d) Quán tính của mắt .
Ảnh xuất hiện 1 lần / giây Ảnh xuất hiện 5 lần / giây 1.2 - Nguyên lý truyền hình. * Các tham số của hình ảnh .
* Nguyên lý truyền hình ảnh . * Nguyên lý quét .
Nguyên lý quét ảnh. Bức ảnh trên minh hoạ được quét với tốc độ 10 dòng / giây và chỉ quét có 8 dòng cho một lượt từ trên xuống dưới, trong truyền hình cũng có nguyên lý quét tương tự nhưng có tốc độ quét là 15625 dòng/ giây, và quét 312,5 dòng cho một lượt từ trên xuống ( một bức hình chia làm 625 dòng và được quét làm hai lượt, một lượt quét các dòng chẵn và một lượt quét các dòng lẻ ) 1.3 - Tín hiệu truyền hình. * Sự tạo thành tín hiệu thị tần ( Video ) .
Để truyền hình ảnh đi xa trước tiên hình ảnh phải được đổi thành tín hiệu điện - gọi là tín hiệu Video , hình ảnh được thu vào qua ống kính và hội tụ trên một lớp phin đặc biệt, sau đó ta dùng nguyên lý quét để chuyển từ thông tin hình ảnh thành tín hiệu điện.
Dùng tia điện tử quét trên lớp phin để tạo thành tín hiệu Video Lớp phin là một màng kim loại đặc biệt có điện trở thay đổi theo cường độ sáng, khi có tia điện tử quét qua, các điểm sáng tối có trở kháng khác nhau tạo thành dòng điện mạnh yếu khác nhau đi qua, tín hiệu điện lấy ra từ lớp phim có dòng điện biến đổi tỷ lệ với thông tin về độ sáng của hình ảnh, tín hiệu này được đưa vào mạch điều chế để tạo thành tín hiệu Video ở ngõ ra của Camera. * Thành phần của tín hiệu truyền hình đầy đủ
Tín hiệu truyền hình đầy đủ bao gồm tín hiệu thị
Tia quét ngược dòng mầu tím, tia quét ngược mành Tín hiệu truyền hình đầy đủ bao gồm :
1.4 - Điều chế tín hiệu phát ở đài truyền hình . Tín hiệu tiếng có giải tần từ 20Hz đến 20KHz rất hẹp so với toàn bộ dải tần của tín hiệu hình từ 0 đến 6MHz , vì vậy để bảo toàn tín hiệu tiếng khi phát chung với tín hiệu hình, người ta phải điều chế tín hiệu tiếng vào sóng mang ở tần số từ 4,5MHz đến 6,5MHz theo phương pháp điều tần thành sóng FM rồi mới trộn với tín hiệu hình tạo thành tín hiệu video tổng hợp .
Điều chế tần số tín hiệu tiếng Như vậy tín hiệu video tổng hợp bao gồm (Video
+ H.syn + V.syn + FM)
Phổ tín hiệu của một kênh truyền hình.
Nguyên lý phát của đài truyền hình. Sau khi tín hiệu Video tổng hợp được điều chế vào một kênh sóng : Thí dụ kênh 9 (nằm ở phổ tín hiệu từ 199,25MHz đến 205,75MHz) ta được sóng mang , sóng mang tiếp tục được khuếch đại ở công xuất hàng chục KW rồi đưa ra Anten phát để phát thành sóng điện từ truyền đi trong không gian với vận tốc ánh sáng.
|
II - Máy thu hình đen trắng.
| 2
- Sơ đồ khối máy thu hình đen trắng.
Sơ đồ khối máy thu hình đen trắng . Máy thu hình đen trắng là hội tụ tất cả những kiến thức cơ bản của kỹ thuật truyền hình, hiểu máy thu hình đen trắng là cơ sở để tiếp cận với máy thu hình mầu và máy thu hình kỹ thuật số. Máy thu hình đen trắng bao gồm các khối chính sau :
Mô tả sự hoạt động của đài truyền hình
Buổi truyền hình trực tiếp Cat Singer
2.1 - Sơ đồ khối của bộ kênh.
Sơ đồ khối của bộ kênh
IF = F0 - RF F0 : Là tần số dao động
nội 2.2 - Mạch vào & K. Đại cao tần. Mạch vào thực chất là một bẫy cộng hưởng, khi ta chuyển kênh, các cuộn dây có cảm kháng khác nhau được tiếp xúc vào mạch cộng hưởng làm thay đổi tần số cộng hưởng, nếu tần số cộng hưởng trùng với tần số sóng mang thì tín hiệu sóng mang được thu vào và được khuếch đại qua tầng Q1 , đầu ra tầng KĐ cao tần Q1 có thêm một mạch cộng hưởng nữa để nâng biên độ tín hiệu lên mức cao nhất.
Bộ chuyển kênh cơ khí trong máy thu hình đen trắng. 2.3 - Mạch dao động nội trong bộ kênh .
Mạch tạo dao động Mạch tạo dao động cung cấp dao động nội cho mạch đổi tần, khi ta chuyển kênh, cuộn L1 được thay thế tạo ra mạch cộng hưởng có tần số thay đổi 2.4 - Mạch đổi tần trong bộ kênh
Mạch đổi tần Mạch đổi tần có tín hiệu RF và tần số dao động nội OSC cùng được đưa vào cực B của đèn đổi tần, tín hiệu trung tần IF lấy ra trên cực C có giá trị bằng hiệu hai tần số đầu vào IF = OSC - RF Nếu tần số RF tăng thì tần số dao động OSC cũng tăng tương ứng để đảm bảo tần số IF luôn luôn không đổi, tần số trung tần IF chiếm một giải tần từ 31,5MHz đến 38MHz
Giải tần của tín hiệu IF 2.5 - Hiện tượng khi hỏng bộ kênh Khi hỏng bộ kênh ta thấy màn hình có các biểu hiện như sau : Bệnh a ) Màn ảnh chỉ có nhiễu, không có hình.
Màn ảnh có nhiễu, không có hình. Phân tích nguyên nhân : Nhiễu bắt nguồn từ mạch khuếch đại trung tần, màn ảnh có nhiễu chứng tỏ từ mạch khuếch đại trung tần cho tới đèn hình đã hoạt động tốt, không có hình tức là không thu được tín hiệu từ đài phát => Suy ra hiện tượng này là do hỏng bộ kênh hoặc đứt Anten. Hướng sửa chữa :
Bệnh b ) Màn ảnh có hình nhưng rất nhiễu, tiếng rồ.
Màn ảnh có hình nhưng rất nhiễu tiếng rồ. Nguyên nhân của hiện tượng trên hoàn toàn tương tự như bệnh 1, nhưng mức độ hỏng nhẹ hơn, các bước kiểm tra và sửa chữa tương tự Bệnh 1
3.1 - Sơ đồ mạch khuếch đại trung tần
Mạch khuếch đại trung tần sử dụng IC IC Khuếch đại trung tần bao gồm các mạch .
Các thành phần trong tín hiệu Video tổng hợp 3.2 - Biểu hiện khi hỏng trung tần. Trung tần là nguồn sinh ra nhiễu trên màn hình đồng thời cũng là mạch khuếch đại tín hiệu thu từ bộ kênh, vì vậy khi hỏng trung tần màn hình thường có biểu hiện không có nhiễu, không có hình, không có tiếng, chỉ còn màn ảnh sáng min .
Ti vi hỏng trung tần, chỉ còn màn sáng mịn, không có nhiễu. 3.3 - Các bước sửa chữa mạch trung tần.
4.1 -Tần khuếch đại thị tần (Video) Nhiệm vụ của mạch khuếch đại thị tần :
Tầng khuếch đại thị tần máy Samsung 359R Nhiệm vụ các linh kiện trong mạch :
Phân tích các hư hỏng của tầng khuếch đại thị tần : a)
Trường hợp tầng khuếch đại thị tần không hoạt động :
Biểu hiện trên màn hình là : Màn ảnh chỉ có màn sáng mịn , không hình, có tia quét ngược.
Biểu hiện khi hỏng tầng khuếch đại thị tần. Phương pháp kiểm tra tầng khuếch đại thị tần :
b) Có hình nhưng có tia quét ngược xen vào Có hình : Chứng tỏ tầng KĐ thị tần vẫn hoạt động
bình thường
5.1 - Cấu tạo và hoạt động của đèn hình
Cấu tạo và hoạt động của đèn hình Cấu tạo của đèn hình : Đèn hình là một bầu thuỷ tinh hút chân không và có các cực chính là :
Hoạt động của đèn hình : Để đèn hình hoạt động ( cho hình ảnh ) trước hết ta cần phân cực cho đèn hình sáng lên , sau đó đưa tín hiệu thị tần vào Katốt để điều khiển dòng tia điên tử phát xạ tạo lại hình ảnh . Để đèn hình phát sáng thì ta cần cung cấp cho đèn hình đủ 4 điều kiện sau :
5.2 - Hư hỏng thường gặp của đèn hình : Đèn hình thường hỏng ở dạng tia phát xạ bị yếu đi , làm cho độ sáng màn hình giảm hoặc mất ánh sáng. Kiểm tra đèn hình :
|
BẠN ĐANG HỌC TRÊN TRANG WEB HTTP://HOCNGHETRUCTUYEN.VN
CỦA TRUNG TÂM DẠY NGHỀ CÔNG NGHỆ CAO BÁCH KHOA
- ĐỊA CHỈ DUY NHẤT : 78 PHỐ VỌNG - HÀ NỘI
| 6 - Khối quét dòng và cao áp
6.1 - Nhiệm vụ của khối quét dòng Nhiệm vụ chính của khối quét dòng là tạo ra các mmức điện áp cao phân cực cho đèn hình hoạt động, ngoài ra khối quét dòng còn cung cấp xung dòng cho cuộn lái ngang để lái tia điện tử quét theo chiều ngang màn hình. 6.2 - Phân tích sơ đồ khối quét dòng .
Sơ đồ khối của khối quét dòng
6.3 - Sơ đồ chi tiết khối quét dòng máy Samsung 359R
Sơ đồ khối quét dòng máy Samsung 359R Phân tích sơ đồ chi tiết :
Tầng dao động dòng 6.4 - Hư hỏng thường gặp của khối quét dòng. a) Máy có vào điện nhưng không lên màn sáng .
Máy có vào điện nhưng không lên màn sáng Nguyên nhân : Có hai nguyên nhân dẫn đến hiện tượng trên là
Kiểm tra :
b) Mất đồng bộ dòng, hình ảnh bị đổ hình sọc dưa
Hình ảnh bị đổ hình sọc dưa do mất đồng bộ dòng Nguyên nhân : Hiện tượng trên là do sai tần số dòng có thể do hỏng
Kiểm tra :
7.1 - Nhiệm vụ của khối quét mành : Nhiệm vụ của khối quét mành là lái tia điện tử quét theo chiều dọc, khối quét mành bao gồm :
Sơ đồ khối - khối quét mành. 7.2 - Sơ đồ chi tiết khối quét mành sử dụng đèn bán dẫn :
Sơ đồ chi tiết khối quét mành dùng đèn bán dẫn. Phân tích sơ đồ mạch :
7.3 - Sơ đồ khối quét mành dùng IC trong Ti vi Samsung 359R
Sơ đồ khối quét mành dùng IC trong Ti vi Samsung 359R Phân tích sơ đồ trên :
7.4 - Các hư hỏng thường gặp của khối quét mành. a) Màn hình chỉ còn một vạch sáng ngang
Màn ảnh còn một vạch sáng ngang Nguyên nhân :
Kiểm tra :
b) Màn ảnh bị méo tuyến tính dọc, co dưới chân, dãn trên đầu :
Màn ảnh bị méo tuyến tính dọc Nguyên nhân :
Khắc phục :
c) Hình bị trôi theo chiều dọc
Ảnh bị trôi theo chiều dọc Nguyên nhân :
Kiểm tra :
7.1 - Mạch khuếch đại và tách xung đồng bộ Xung đồng bộ bao gồm xung đồng bộ dòng H.SYN và xung đồng bộ mành V.SYN được gửi sang máy thu hình cùng với tín hiệu Video, hai xung đồng bộ này có nhiệm vụ điều khiển khối quét dòng và quét mành quét đúng tần số như bên phát, điều này rất quan trọng cho việc khôi phục lại hình ảnh, nếu bên máy thu bị sai tần số quét dòng sẽ sinh mất đồng bộ dòng => hình bị đổ xiên, nếu sai tần số quét mành sẽ sinh mất đồng bộ mành => hình bị trôi theo chiều dọc. Sơ đồ khối của khối đồng bộ :
Sơ đồ khối của khối đồng bộ
Sơ đồ mạch chi tiết :
Khối đồng bộ trong Ti vi Samsung 359R
7.2 - Hư hỏng của khối đồng bộ : a) Mất tín hiệu đồng bộ chung => màn hình vừa đổ , vừa trôi
Ảnh vừa bị đổ, vừa bị trôi Nguyên nhân :
Kiểm tra :
|
| 8
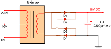
- Khối nguồn nuôi 8.1 - Khối nguồn nuôi Nhiệm vụ của khối cấp nguồn là cung cấp nguồn 1chiều 12V ổn định cho máy hoạt động, điện áp vào là nguồn xoay chiều 220V AC không ổn định.
Sơ đồ khối - khối nguồn nuôi
Mạch giảm áp, chỉnh lưu và mạch lọc .
Biến áp và mạch chỉnh lưu cầu, mạch lọc
Biến áp và mạch chỉnh lưu cầu, mạch lọc trong thực tế. Mạch ổn áp tuyến tính : Nhiệm vụ : Mạch ổn áp tuyến tính có nhiệm vụ => Tạo ra điện áp đầu ra ổn định và bằng phẳng, không phụ thuộc vào điện áp vào , không phụ thuộc vào dòng điện tiêu thụ Sơ đồ tổng quát
Sơ đồ tổng quát mạch ổn áp tuyến tính
Sơ đồ chi tiết của mạch ổn áp tuyến tính máy Samsung
Mạch ổn áp tuyến tính trong Ti vi Samsung 359R
Nguyên tắc ổn áp như sau : Giả sử khi điện áp vào
tăng hoặc dòng tiêu thụ giảm => Điện áp ra tăng lên
=> điện áp chuẩn tăng nhiều hơn điện áp lấy mẫu => làm cho điện áp UBE
đèn Q2 giảm => đèn Q2 dẫn giảm => dòng qua R3 giảm => đèn Q1 dẫn giảm ( vì
dòng qua R3 là dòng định thiên cho đèn Q1 ) => kết quả
là điện áp ra giảm xuống, vòng điều chỉnh này diễn ra trong thời gian
rất nhanh so với thời gian biến thiên của điện áp, vì vậy điện áp ra có đặc
tuyến gần như bằng phẳng. 8.2 - Hư hỏng thường gặp của khối cấp nguồn a) Không có điện vào máy, không có tiếng, không có màn sáng.
Máy không màn sáng, không hình, không vào điện Nguyên nhân :
Kiểm tra :
b) Hình ảnh bị uốn éo, có tiếng ù ở loa .
Hình ảnh bị uốn éo Nguyên nhân : Bản chất của hiện tượng trên là do điện áp cung cấp cho máy đã bị nhiễm xoay chiều 50Hz vì vậy nguyên nhân là :
Kiểm tra :
9.1 - Sơ đồ khối đường tiếng
Sơ đồ khối đường tiếng Tín hiệu điều tần FM đi cùng tín hiệu Video tổng hợp được tách qua tụ giấy => đi qua mạch cộng hưởng đầu vào đi vào tầng khuếch đại trung tần tiếng => sau khi KĐ lên biên độ đủ lớn tín hiệu đưa sang mạch tách sóng điều tần để lấy ra tín hiệu âm tần => sau đó tín hiệu âm tần được khuếch đại qua mạch công xuất rồi đưa ra loa để phát lại âm thanh. 9.2 - Mạch trung tần tiếng dùng Transistor
Mạch trung tần tiếng dùng Transistor
9.3 - Khối đường tiếng dùng IC
Khối đường tiếng trong Tivi Samsung 359R
9.4 - Hiện tượng hư hỏng khối đường tiếng a) Máy có hình, không có tiếng. Nguyên nhân :
Kiểm tra :
b) Có tiếng rồ kèm theo tiếng nói , tiếng nói nhỏ. Nguyên nhân :
Kiểm tra :
|
BẠN ĐANG HỌC TRÊN TRANG WEB HTTP://HOCNGHETRUCTUYEN.VN
CỦA TRUNG TÂM DẠY NGHỀ CÔNG NGHỆ CAO BÁCH KHOA
- ĐỊA CHỈ DUY NHẤT : 78 PHỐ VỌNG - HÀ NỘI














































