Chương 1 - Kiến thức cơ bản

TRUNG TÂM DẠY NGHỀ CÔNG NGHỆ CAO BÁCH KHOA

Địa chỉ duy nhất: 78 Phố Vọng Hà Nội

http://hocnghetructuyen.vn

http://daynghebachkhoa.vn

http://vbk.vn

Hotline: 0936.327.789  -  04.6278.0670

______________________________________________________________

Bài 1 - Kiến thức cơ bản

Bài 1 - Linh kiện trên điện thoại di động

 1- Điện trở (R)

  1. Ký hiệu, đơn vị
    - Trên các sơ đồ nguyên lý, điện trở có ký hiệu là R  , ví dụ R6034...



    - Đơn vị của điện trở là ôm (Ω) , và có các bội số là  KΩ, MΩ
       1KΩ    = 1000 Ω
       1MΩ   = 1000.000 Ω     = 1000 K Ω
     
  2. Hình dáng của điện trở trên vỉ máy điện thoại



    - Hình dáng: điện trở có thân mầu đen, hai đầu mầu sáng của thiếc kim loại
    - Các linh kiện có thân mầu nâu là tụ điện.
     
  3. Chức năng của điện trở trên mạch
    - Điện trở có tác dụng hạn chế dòng điện đi qua một phụ tải tiêu thụ
    - Tạo ra một điện áp theo ý muốn khi đấu các điện trở mắc nối tiếp thành cầu phân áp
    - Dẫn điện hoặc dẫn tín hiệu đi qua và điều chỉnh được dòng điện qua mạch theo ý muốn khi thay đổi trị số R
     
  4. Phương pháp kiểm tra điện trở trên mạch
    - Để đo điện trở trước hết bạn cần biết hoặc dự đoán được giá trị gần đúng của điện trở là bao nhiêu.
    - Ví dụ: Các điện trở nối tiếp trên đường cấp nguồn thì thường có giá trị  ôm (Ω) nhỏ và công suất lớn (công suất tỷ lệ với kích cỡ của điện trở)
    - Nếu bạn không đoán được, bạn cần đối chiếu linh kiện trên vỉ máy sang sơ đồ vị trí  để biết đó là R bao nhiêu? từ đó đối chiếu sang sơ đồ nguyên lý để biết giá trị ôm (Ω)  của điện trở

    CPU
                            Vỉ máy thực tế                                                                                                 Sơ đồ vị trí     
      
      Đối chiếu từ vỉ máy thực tế sang sơ đồ vị trí để biết tên điện trở là R bao nhiêu ?






                  Sau đó tra trên sơ đồ nguyên lý để biết giá trị của điện trở là bao nhiêu ?




    r

    Đo vào hai đầu điện trở xem giá trị là bao nhiêu, nếu giá trị đo được mà lớn hơn trị số của điện trở thì R bị đứt, nếu nhỏ hơn  hoặc bằng là bình thường, nhỏ hơn là do có trở kháng của mạch đấu song song với điện trở.
     

 2 - Tụ điện (C)

  1. Ký hiệu và đơn vị :
    - Trên sơ đồ nguyên lý, tụ điện có ký hiệu là chữ C, ví dụ   C7728



    - Đơn vị của tụ điện là Fara, trong thực tế 1 Fara có giá trị rất lớn lên người ta thường lấy giá trị Pico Fara, Nano Fara hay Micro Fara để ghi trị số cho tụ .
    -  1µ Fara = 10-6 Fara
    -  1nF   =  10-3 µ F = 10-9  F
    -  1pF  =  10-3 nF  =  10-6 µ F = 10-12  F
    -  1µ F = 1000 nF  = 1000.000 pF
     
  2. Hình dáng của tụ điện trên vỉ máy điện thoại



    - Hình dáng:  tụ điện có thân mầu nâu, hai đầu mầu sáng của thiếc kim loại
    - Tụ có trị số điện dung càng lớn thì kích thước càng to
    - Các linh kiện có thân mầu đen là điện trở



                         Tụ lọc V.BAT có kích thước lớn, thường có mầu vàng (như hình)

     
  3. Chức năng của tụ điện trên mạch

       

     Tụ điện có tác dụng ngăn điện áp một chiều, cho phép tín hiệu cao tần đi qua



                          

    Lọc bỏ các tín hiệu cao tần trên các đường điện áp tần số thấp hoặc điện áp một chiều.



                          
    Tụ trị số lớn thì được sử dụng trong các mạch lọc cho điện áp một chiều bằng phẳng

     
  4. Phương pháp kiểm tra tụ điện trên mạch
    - Các tụ điện trên điện thoại khi bình thường chúng có trở kháng bằng vô cùng  (R = ∞ )  vì vậy nếu bạn kiểm tra trở kháng của tụ thấy có trở kháng thấp là biểu hiện của tụ bị dò, nếu R = 0Ω  là tụ bị chập
    - Tụ điện có tỷ lệ hỏng rất ít, nhưng khi tụ đã bị hỏng thường gây ra những bệnh về chất lượng nên rất khó xác định để kiểm tra sửa chữa.
    - Để đo tụ điện, bạn để đồng hồ ở thang 1KΩ đo vào hai đầu tụ, đo hai chiều và tính theo chiều có trở kháng cao hơn, nếu tụ có trở kháng lớn là được, nếu trở kháng nhỏ thì bạn cần tháo hẳn ra khỏi mạch để đo, khi tháo ra ngoài thì trở kháng của tụ bằng vô cùng.

    UEM

                                         Vỉ máy điện thoại NOKIA 1110i

 3 - Cuộn dây (L)

  1. Ký hiệu và đơn vị :
    - Trên sơ đồ nguyên lý, cuộn dây có ký hiệu là chữ L, ví dụ   L7604, L7605



    - Đơn vị của cuộn dây là Henrry

     
  2. Hình dáng của cuộn dây trên vỉ máy điện thoại



    Cuộn dây có hình giống tụ điện nhưng thường có thân mầu xanh đen, trở kháng của
     cuộn dây rất thấp chỉ khoảng 1-2
    Ω



    Một số cuộn dây có hình trụ quấn trên lõi Ferit như cuộn dây L401 và L230 ở hình trên
     
  3. Chức năng của cuộn dây trên mạch

       

     Cuộn dây có tác dụng ngăn tín hiệu cao tần, cho tần số thấp đi qua, trên
     các đường nguồn, cuộn dây được kết hợp với tụ để lọc nhiễu cao tần.


                          

    Trong các mạch tăng áp, cuộn dây được sử dụng để tạo ra điện áp cảm ứng sau đó điện áp này
    được chỉnh lưu để lấy ra điện áp một chiều có giá trị cao hơn điện áp đầu vào



                          
    Tụ trị số lớn thì được sử dụng trong các mạch lọc cho điện áp một chiều bằng phẳng

     
  4. Phương pháp kiểm tra cuộn dây trên mạch
    - Các cuộn dây trên vỉ máy thường có trở kháng thấp khoảng 1 - 2 Ω  vì vậy bạn chỉ cần đo trở kháng trên cuộn dây thấy có trở kháng thấp là được, nếu đo thấy trở kháng cao là cuộn dây bị đứt.

    L
    Đo cuộn dây bằng thang x1Ω  thấy kim lên sấp sỉ = Ω  là bình thường, nếu kim lên
     ít là cuộn dây bị đứt


     

 4 - Đi ốt - Diode   (D)

  1. Ký hiệụ
    - Trên các sơ đồ nguyên lý, đi ốt có ký hiệu là D hoặc V  , ví dụ V402.

                  

                              Đi ốt trong mạch chỉnh lưu                                             Điốt Zener trong mạch bảo vệ

     
  2. Hình dáng của đi ốt trên vỉ máy điện thoại



    - Hình dáng của đi ôt gần giống với điện trở, một số đi ốt có đánh dấu một đầu để phân biệt chiều âm dương
     
  3. Chức năng của đi ốt trên mạch
    - Đi ốt có tác dụng cho điện áp đi qua theo một chiều nên chúng được sử dụng trong mạch chỉnh lưu đổi điện áp xoay chiều thành một chiều
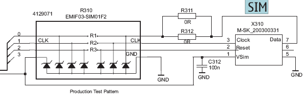
    -  Các đi ốt ổn áp  (Zener) thì được sử dụng trong các mạch bảo vệ


          Mạch bảo vệ SIM sử dụng một tổ hợp đi ốt Zener
     
  4. Phương pháp kiểm tra đi ốt trên mạch
    - Để đo đi ốt, bạn chỉnh đồng hồ ở thang x 1Ω  đo vào hai đầu đi ốt, đảo que đo hai chiều, nếu thấy một chiều lên 2/3 thang đo, một chiều không lên hoặc chỉ lên một chút là bình thường.
    - Nếu đo hai chiều thấy kim lên hết thang đo ( R = Ω ) là đi ốt bị chập, nếu đo hai chiều kim không lên
    ( R = ∞ ) là đi ốt bị đứt.
    L
      
      Để thang 1Ω đo hai chiều đi ốt thấy một chiều lên kim, một chiều không là đi ốt bình thường
     

5 - Transistor 

  1. Ký hiệụ
    - Trên các sơ đồ nguyên lý, Transsistor có ký hiệu là Q hoặc V  , ví dụ V401

                  
                 Transistor khuếch đại đệm cho tín hiệu (En)

     
  2. Hình dáng của Transistor trên vỉ máy điện thoại



            Transistor có 3 chân là B, C, E
     
  3. Chức năng của Transistor trên mạch
    - Transistor được sử dụng để khuếch đại tín hiệu âm tần, tín hiệu cao tần hoặc được sử dụng trong các mạch số để thay đổi trạng thái logic của mạch.


          Transistor được sử dụng để thay đổi trạng thái logic của lệnh EN  trước
          khi đưa vào IC Led_Drive





          Transistor được sử dụng để khuếch đại tín hiệu phát trước khi đưa vào IC công suất

     
  4. Phương pháp kiểm tra Transistor trên mạch
    - Để đo Transistor bạn hãy xem sơ đồ tương đương sau đây.

      

    *  Từ sơ đồ trên bạn có thể suy ra cách đo như sau:
         - Đo từ cực B sang cực E hoặc từ cực B sang cực C giống như đo đi ốt tức là có một chiều lên kim, một chiều không lên kim (khi đo bằng thang x1Ω)
        - Đo giữa cực C và E giống như đo hai đi ốt mắc ngược chiều vì vậy cả hai chiều đo sẽ không lên kim

    UEM
              Vỉ máy Nokia 7610

 

 

 

         hocnghetructuyen.vn

Bài 2 - Các mạch điện và linh kiện cơ bản

 Làm quen với các linh kiên trên điện thoại di động

 

 

1 - Những mạch điện cơ bản tạo lên một IC .

  1. IC là gì ?
    IC là viết tắt của International Circuit  nghĩa là Mạch tổ hợp , trong mỗi một con IC dù nhỏ nhưng cũng chứa dụng rất nhiều mạch điện khác nhau, các mạch đó lại được cấu tạo lên từ các đèn Transistor
     



    IC vi xử lý


    IC  công suất phát

     

    IC Led_Drive

     

    - CPU có thể chứa đến hàng chục triệu Transistor, các Transistor được tổ chức thành các mạch Logic mà chúng ta sẽ tìm hiểu sau đây.
     

  2. Các mạch Logic - thành phần cấu tạo nên IC
    - Các mạch Logic là thành phần để tạo lên IC vi xử lý và các IC xử lý tín hiệu số khác trong điện thoại di động cũng như trên các thiết bị số khác, có nhiều mạch Logic nhưng ở đây chúng tôi chỉ giới thiệu với các bạn 4 loại mạch Logic chính như sau:

    2.1 - Cổng đảo (cổng NOT)


    Nếu đưa giá trị 0 qua cổng đảo bạn sẽ nhận được giá trị 1 ở đầu ra
    Nếu đưa giá trị 1 qua cổng đảo bạn sẽ nhận được giá trị 0 ở đầu ra


    2.2 - Cổng và (cổng AND)


    Cổng (AND) có từ 2 tín hiệu vào trở lên, tín hiệu ra nhận được sẽ bằng tích của các tín hiệu vào, vì vậy tín hiệu ra chỉ bằng giá trị 1 khi tất cả các tín hiệu vào đều có giá trị là 1, chỉ cần một đầu vào có giá trị 0 là đầu ra sẽ có giá trị 0

    2.3 Cổng hoặc (cổng OR)



    Cổng OR có giá trị logic ra bằng tổng các giá trị logic vào, chỉ cần một đầu vào có giá trị bằng 1 thì đầu ra có giá trị bằng 1

    2.4 Cổng loại trừ (cổng XOR)



    Cổng loại trừ có đặc điểm,  khi nào hai tín hiệu vào khác nhau thì đầu ra có giá trị 1, khi các đầu vào giống nhau thì đầu ra có giá trị 0

     
  3. IC khuếch đại thuật toán (OP Amply)

           
    - IC khuếch đại thuật toán có cấu tạo khá đơn giản, có 2 đầu vào, một đầu ra, một đường Vcc và một đường Mass
    - IC khuếch đại thuật toán được ứng dụng rất nhiều, chỉ cần kết hợp với R và C là ta đã tạo ra rất nhiều loại mạch cực kỳ thông dụng như: Mạch khuếch đại, mạch dao động, mạch so sánh, mạch đổi dạng xung răng cưa thành xung vuông ...



    Mạch khuếch đại âm tần sử dụng IC khuếch đại thuật toán
    Hệ số khuếch đại của mạch có thể thay đổi được khi ta thay đổi giá trị của 2 điện trở





    Mạch tạo dao động sử dụng IC khuếch đại thuật toán
    Tần số dao động có thể điều chỉnh được khi ta thay đổi trị số của R và C


     
  4.  IC Led_Drive (điều khiển chiếu sáng màn hình) trên điện thoại .



      Hình ảnh thực tế của IC, sơ đồ mạch ứng dụng của IC, sơ đồ khối trong IC



                                   Các mạch Logic và IC khuếch đại thuật toán trong IC điều khiển mạch chiếu
                                   sáng màn hình, bàn phím máy Nokia 7610

     
  5.  IC khuếch đại công suất phát sóng P.A

    sim


    Đèn Mosfet :
    - Đèn Mofet được cấu tạo nên từ những chất bán dẫn Silium loại N và P, chúng có 3 cực là
        D (Drain - cực nền)
        S (Source - cực nguồn)
        G (Gate - cực cổng)
    Có 2 loại đèn Mosfet là Mosfet thuận và Mosfet ngược,  trong mạch điện thường sử dụng Mosfet ngược



    Đặc điểm của Mosfet :
         - Trở kháng giữa chân G đến chân S là vô cực
         - Trở kháng giữa chân G đến chân D là vô cực
         - Trở kháng giữa chân D đến chân S phụ thuộc vào điện áp chênh lệch giữa G và S
     
    - Khi chân G được cấp điện dương thì Mosfet dẫn điện và đèn sáng.
    - Sau khi ngắt điện, do điện tích nạp vào chân G vẫn còn nên Mosfet vẫn tiếp tục dẫn và đèn vẫn sáng
    - Khi đóng chân G xuống Mass điện tích ở chân G bằng 0 nên đèn tắt
         Mosfet

    Ứng dụng của Mosfet :
      - Trong điện thoại di động, Mosfet được sử dụng trong IC xạc điện cho Pin, trong IC khuếch đại công suất phát và trong IC điều khiển chiếu sáng màn hình, bàn phím.
     

 2 - Những mạch cơ bản có trên điện thoại di động

  1. Mạch dao động bằng tinh thể thạch anh.
    Dao động tinh thể là một khái niệm cơ bản và quan trọng ngành linh kiện điện tử nói chung và công nghệ điện thoại nói riêng. Mọi sự hoạt động của xung nhịp, bus...trong điện thoại đều liên quan đến dao động tinh thể bởi đây là các tần số làm việc được sản sinh từ dao động tinh thể.

    Những tinh thể được sử dụng nhiều nhất trong dao động tinh thể là tinh thể thạch anh.

                      

       

    Khi thạch anh được cấp một điện áp, nó sẽ tự dao động và tạo ra một tấn số rất chính xác.


           

    Bộ dao động OSC được sử dụng trên điện thoại di động để tạo xung Clock

     

  2. Mạch dao động bằng điện áp (VCO)



    Bộ dao động VCO (Voltage Control Oscilator) dao động điều khiển bằng điện áp
    Trong bộ dao động VCO người ta sử dụng Đi ốt biến dung để tạo dao động, khi điều chỉnh cho điện áp ngược rơi trên đi ốt thay đổi > giá trị điện dung thay đổi > dẫn đến tần số dao động thay đổi.




                             Bộ dao động OSC và dao động VCO trên điện thoại di động

     

  3. Mô tơ Rung

    Moto rung

    - Một chiếc mô tơ có gắn một miếng sắt lệch tâm, khi quay lực ly tâm của miếng sắt sẽ làm cho mô tơ rung lên, mô tơ được gắn chặt vào vỏ máy vì vậy máy sẽ rung lên khi mô tơ quay.
    - Để kiểm tra mô tơ rung, bạn có thể dùng một quả pin như trên hoặc dùng đồng hồ vạn năng để thang x1Ω  đo vào hai cực cấp điện cho mô tơ, mô tơ sẽ quay và rung tít.



    Trên điện thoại, CPU sẽ đưa ra lệnh điều khiển IC-VIBRRA cấp dòng cho mô tơ rung quay khi có cuộc gọi đến

     
  4. Hoạt động của Loa, chuông và Micro

                     loa
    Cấu tạo của loa:
     - Loa có một cuộn dây hình trụ đặt giữa hai cực của một nam châm vĩnh cửu, từ trường của nam châm  tương đối mạnh, khi ta cho dòng điện chạy qua cuộn dây, cuộn dây sẽ tạo ra một từ trường và từ trường của cuộn dây sẽ bị từ trường của nam châm đẩy làm cho cuộn dây chuyển động, nếu ta đưa dòng điện xoay chiều chạy qua cuộn dây thì cuộn dây sẽ chuyển động quanh vị trí cân bằng. Nếu ta cho dòng điện có tần số 1000Hz chạy qua cuộn dây thì cuộn dây sẽ dao động với tần số 1000Hz
    - Người ta gắn cuộn dây với một chiếc màng cứng ta sẽ được một chiếc chuông (chuông điện thoại), nếu ta gắn cuộn dây với một chiếc màng bằng giấy ta sẽ được một chiếc loa, khi màng loa dao động ở tần số cao nó sẽ phát ra âm thanh
    - Micro cũng có cấu tạo giống loa nhưng cuộn dây quấn nhiều vòng hơn, trở kháng của cuộn dây cao hơn, màng của Micro mỏng hơn để dễ dàng rung động khi có sóng âm thanh tác động tới, khi có sóng âm thanh, màng micro rung lên, cuộn dây dao động trong từ trường và tạo ra điện áp cảm ứng cho ta tín hiệu âm tần.



    Chuông của điện thoại, chuông là một chiếc loa màng cứng


          Loa và micro của điện thoại di động   

    Kiểm tra loa :


    Để đồng hồ ở thang    X1Ω  quẹt quẹt que đo vào hai cực của loa, thấy loa kêu sột xoẹt là loa tốt
     

 

 

         hocnghetructuyen.vn

Bài 3 - Những điều cần biết - Dụng cụ hành nghề

 I - Giải đáp thắc mắc cho người mới học

 

 II -  Dụng cụ cần thiết để sửa chữa điện thoại

 1 - Dụng cụ để sửa chữa phần cứng

  1. Máy hàn khò

                       

      Máy hàn khò để thay IC của điện thoại di động, hiện nay (2008) giá của nó khoảng 700.000đ đến 900.000đ. Giá kẹp Main để giữ Main khi ta thao tác sửa chữa.

     
  2. Tấm sắt để làm chân IC, dao, Panh.

     

    Chuẩn bị các tấm sắt (khuôn) để làm chân cho các loại IC, mỗi tấm sắt giá khoảng 20.000đ

     
  3. Thiếc nước, mỡ hàn, nước rửa mạch.

                
                                            Thiếc nước, mỡ hàn, nước rửa
     
  4. Mỏ hàn kim, thiếc sợ nhỏ.

         
                                      Mỏ hàn kim và cuộn thiếc sợi nhỏ
     
  5. Tô vít các loại, đèn kính núp.
                   
                                                 Bộ tô vít, đèn có kính núp
     
  6. Đồng hồ đo dòng để kiểm tra điện thoại.



       Đồng hồ đo dòng dùng để kiểm tra dòng tiêu thụ của điện thoại, từ đó xác định được nguyên nhân hư hỏng

     
  7. Đồng hồ vạn năng


    Đồ hồ vạn năng dùng để đo điện trở, điện áp, sự thông mạch.


     

  2 - Thiết bị để chạy phần mềm và copy ứng dụng.

  1. Một bộ máy vi tính cấu hình trung bình
        - CPU - Pentium 4 tốc độ khoảng 2GHz
        - RAM - 512MB
        - HDD - 80GB
      Các linh kiện khác thì tuỳ ý



              Một bộ máy tính Pentium 4 để chạy phần mềm

     
  2. Hộp chạy phần mềm đa năng : UFS-5 hoặc UFS-6

                        Hộp chạy phần mềm UFS-5        

        
           Hộp chạy phần mềm MTK chuyên chạy máy Trung quốc



    Hộp JAF chuyên chạy phần mềm cho các máy NOKIA đời cao


     
  3. Card Reader để copy phần mềm ứng dụng cho thẻ nhớ



    Card Reader để copy ứng dụng cho thẻ nhớ

     
  4. Cổng Bluetooth để copy ứng dụng cho điện thoại hỗ trợ Bluetooth



    Cổng Bluetooth để copy ứng dụng cho điện thoại có hỗ trợ Bluetooth

     
  5. Cáp Data để truyền dữ liệu qua cổng USB máy tính



    Cáp DKU-2 để kết nối các dòng điện thoại Nokia đời cao như dòng WD2 và BB5 với cổng USB của máy tính


    Cáp DKU-5 để kết nối các dòng điện thoại DCT4 với cổng USB của máy tính

    Cáp Data để kết nối các máy SAMSUNG với cổng USB của máy tính

 

 

 

 

 

 

 

 

Gọi điện