Chương 5 - Khối Vi xử lý

TRUNG TÂM DẠY NGHỀ CÔNG NGHỆ CAO BÁCH KHOA

Địa chỉ duy nhất: 78 Phố Vọng Hà Nội

http://hocnghetructuyen.vn

http://daynghebachkhoa.vn

http://vbk.vn

Hotline: 0936.327.789  -  04.6278.0670

______________________________________________________________

Chương 5 - Khối vi xử lý

Bài 1 - Nhiệm vụ và nguyên lý của khối Vi xử lý

  Nhiệm vụ và nguyên lý hoạt động của khối vi xử lý
     (khối vi xử lý còn gọi là khối điều khiển hay khối logic)

  1 -  Nhiệm vụ của khối vi xử lý
      Khối vi xử lý có nhiệm vụ điều khiển hầu hết các hoạt động của máy, bao gồm:

  • Điều khiển quá trình tắt mở nguồn
  • Điều khiển quá trình thu phát tín hiệu
  • Điều khiển màn hình LCD
  • Điều khiển các chức năng Bluetooth, Camera, FM v v...
  • Điều khiển rung - chuông
  • Điều khiển mạch xạc

    Khi khối vi xử lý bị hỏng (tuỳ theo mức độ) thì có thể sinh ra các hiện tượng
    - Máy không lên nguồn hoặc lên nguồn rồi tắt
    - Mất hiển thị trên màn hình
    - Máy hay bị treo
    - Máy bị mất sóng
    - Hỏng một số chức năng của máy như bluetooth, camera ...

    Tóm lại hỏng khối vi xử lý có thể sinh ra bất kỳ bệnh gì tương tự như hỏng các bộ phận khác  nhưng biểu hiện thường gặp là máy không lên nguồn.

Vi xử lý - nhận lệnh từ bàn phím hoặc từ khối RF - cho nạp và chạy các chương trình phần mềm và đưa ra lệnh điều khiển, điều khiển các hoạt động của máy. IC Xử lý tín hiệu cao tần RF do CPU điều khiển các quá trình thu phát tín hiệu IC xử lý tín hiệu âm tần Audio - do CPU điều khiển quá trình giải mã và mã hoá đồng thời trao đổi dữ liệu  với CPU Bộ dao động OSC có chức năng tạo xung Clock cung cấp cho CPU hoạt động, đồng thời đồng bộ sự hoạt động của toàn bộ máy IC  nguồn, cung cấp các điện áp khởi động cho khối vi xử lý và điện áp thứ cấp cho các khối khác, chịu sự điều khiển của CPU Sim của điện thoại thường được kết nối với IC nguồn nhưng vẫn do CPU điều khiển Mạch xạc Pin do CPU điều khiển, IC nguồn cung cấp xung PWM (điều chế độ rộng) cho mạch xạc, các máy Nokia mạch xạc thường tích họp trong IC nguồn Các phím bấm giúp người sử  dụng nhập thông tin yêu cầu máy xử lý SRAM - bộ nhớ truy cập ngẫu nhiên - lưu tạm các chương trình phần mềm đang chạy để cung cấp trực tiếp cho CPU xử lý Flash - là bộ nhớ lưu cố định phần mềm điều khiẻn và phần mềm ứng dụng của máy để cung cấp cho CPU xử lý , dữ liệu trong Flash là cố định và không mất đi khi tắt nguồn Màn hình LCD do CPU điều khiển quá trình hoạt động, nếu CPU không chạy thì màn hình Mạch điều  khiển chiếu sáng màn hình, cung cấp điện áp khoảng 7,5V hoặc 14V cho các đèn Led chiếu sáng màn hình Mạch Bluetooth trên các máy đời cao, trực hiện truyền và nhận dữ liệu không dây trong cự ly ngắn, mạch này do CPU điều khiển Mạch Camera do CPU điều khiển Mạch FM Rađio do CPU điều khiển Mạch rung chuông do CPU điều khiển Thẻ nhớ do CPU điều khiển trực tiếp

Các thành phần của khối điều khiển (mầu tím)

  2 - Thành phần của khối vi xử lý:

   Khối vi xử lý bao gồm các thành phần sau:

  • Bộ dao động OSC - có chức năng tạo xung Clock cung cấp cho CPU hoạt động và đồng bộ về dữ liệu trong toàn hệ thống.
  • CPU (Center Processor Unit - đơn vị xử lý trung tâm) còn gọi là Vi xử lý
  • FLASH - Bộ nhớ cố định, lưu trữ toàn bộ các chương trình phần mềm điều khiển và phần mềm ứng dụng của máy để cung cấp dữ liệu cho CPU xử lý, dữ liệu trong FLASH không bị mất khi tắt máy hoặc tháo Pin.
  • SRAM - (Bộ nhớ truy cập ngẫu nhiên), lưu tạm các chương trình của máy đang chạy để phục vụ trực tiếp cho CPU xử lý, dữ liệu trong SRAM sẽ bị xoá khi máy tắt nguồn hoặc tháo Pin
    - Các chương trình muốn hoạt động được chúng cần được nạp từ FLASH lên SRAM rồi mới cung cấp cho CPU xử lý.
  • Màn hình hiển thị kết quả xử lý và cung cấp menu điều khiển cho người sử dụng
  • Bàn phím giúp người sử dụng nhập lệnh điều khiển vào CPU

Vi xử lý

Khối vi xử lý trên các máy Nokia có xung Clock đi qua IC RF để chia tần

 

CPU

Khối vi xử lý trên các máy Samsung, mạch tạo dao động tạo ra 13MHz đưa thẳng tới CPU


 
  3 - Nguyên lý hoạt động của khối vi xử lý

  • Khối vi xử lý hoạt động theo nguyên lý là - Xử lý các mã lệnh của phần mềm rồi đưa ra tín hiệu điều khiển, như vậy là tín hiệu điều khiển nó phụ thuộc vào phần mềm chứ không phải phụ thuộc vào các IC.
  • Khối vi xử lý trên các máy khác nhau nó chỉ khác nhau về tốc độ xử lý và dung lượng bộ nhớ còn về cấu trúc và nguyên tắc hoạt động thì nó không thay đổi.
  • Khi ta "Bật mở nguồn"  khối vi xử lý được cấp điện và hoạt động, hoạt động đầu tiên là cho nạp phần mềm cốt lõi từ bộ nhớ FLASH lên SRAM  sau đó phần mềm trong SRAM sẽ được đưa dần vào thanh ghi trong CPU để CPU xử lý, kết quả xử lý được CPU đưa ra các chân rồi đưa đến điều khiển các bộ phận của máy.
  • Các bộ phận như Bluetooth, Camera cũng cần có phần mềm điều khiển thì chúng mới hoạt động được, khi ta Bật Bluetooth, ta phải tác động qua bàn phím, tín hiệu này sẽ được truyền về CPU,  CPU sẽ cho tải phần mềm điều khiển Bluetooth từ FLASH lên SRAM rồi nạp dần vào thanh ghi để xử lý và sau đó đưa ra các lệnh điều khiển > đưa tới điều khiển khối Bluetooth hoạt động.

Minh hoạ quá trình tải phần mềm từ FLASH lên SRAM và từ SRAM vào thanh ghi của CPU

  •    4 - Nhận biết các linh kiện của khối vi xử lý

    Nhận biết các linh kiện của khối điều khiển trên máy Nokia
    - Bộ dao động OSC - có đặc điểm : Có vỏ bọc kim chỗng nhiễu, đứng cạnh IC RF, nhỏ hơn bộ dao động VCO
    - CPU - có đặc điểm: thường có chân rèm xung quanh, xung quanh IC ít linh kiện, đứng cạnh IC nhớ hình chữ nhật
    - Flash - có đặc điểm: đứng cạnh CPU, là IC hình chữ nhật và to hơn SRAM
    - SRAM - có đặc điểm: đứng gần CPU, là IC hình chữ nhật nhỏ hơn Flash

P.A



    Các thành phần của khối điều khiển trên máy SAMSUNG D500

P.A

Các thành phần của khối vi xử lý trên máy Samsung D500

   5 - Giao tiếp giữa CPU và các IC nhớ

CPU

Giao tiếp giữa CPU và các IC nhớ

  • CPU và các IC nhớ FLASH, SRAM trao đổi với nhau thông qua ba hệ thống Bus chính là:
    Add Bus - Bus địa chỉ
       Có khoảng 21 đường địa chỉ từ A0 đến A20, các bộ nhớ có dung lượng càng lớn thì số Bus địa chỉ càng nhiều
    Data Bus - Bus dữ liệu
       Có khoảng 16 hoặc 24 Bus dữ liệu, mỗi Bus dữ liệu nó truyền đi được một "Bit" thông tin trong một xung nhịp
    Control Bus - Bus điều khiển  (Bus - là các đường mạch in)
       Bus điều khiển gồm các đường tín hiệu điều khiển ghi, đọc, khởi động và lệnh chọn chip hoạt động.
           - WR (Write) - Lệnh ghi vào bộ nhớ
           - RD (Read) - Lệnh đọc ra từ bộ nhớ
           - CS (Chip Select) - Lệnh chọn chip hoạt động
           - RST (Reset) - Lệnh khởi động bộ nhớ

   6 - Nguyên lý đọc và ghi dữ liệu vào bộ nhớ

  1. Địa chỉ nhớ là gì ?
    - Địa chỉ nhớ là địa chỉ các ngăn nhớ trong FLASH hoặc SRAM, mỗi ngăn nhớ chứa được 8 bít và được đánh một địa chỉ bằng mã nhị phân, địa chỉ này có độ dài tuỳ theo số đường Add Bus, nếu ở trên có 21 đường Add Bus thì một địa chỉ nhớ có thể được đánh số như sau    1 0100 1011 0010 1110 0011
    - Để dễ hiểu hơn ta giả thiết rằng máy chỉ có 3 đường Add Bus, khi đó sơ đồ mạch có dạng như sau:



    Nếu có 3 Bus địa chỉ thì nó sẽ thay đổi được 8 địa chỉ không trùng nhau như sau:
    000 , 001 , 010 , 011 , 100 , 101 , 110 , 111 
    8 địa chỉ tương đương với 23 địa chỉ
    - Nói cách khác, 3 đường Add Bus thì CPU quản lý được 23 (vì 23 = 8) địa chỉ nhớ vì vậy nếu có 21 đường Add Bus thì CPU sẽ quản lý được 221 địa chỉ nhớ
    - Để truy cập vào một địa chỉ nào đó thì CPU chỉ việc phát ra các tín hiệu 0 hay 1 trên các Bus địa chỉ, mạch giải mã địa chỉ sẽ kích hoạt địa chỉ nhớ tương ứng.
      Ví dụ: nếu có 3 Bus địa chỉ như trên, khi CPU phát ra trên các Bus địa chỉ giá trị lần lượt là 101 (tức là Bus thứ nhất có điện " =1" , Bus thứ hai không có điện " =0", Bus thứ ba có điện " =1") thông qua mạch giải mã địa chỉ nó lập tức trỏ vào địa chỉ nhớ là 101
     
  2. Đọc và ghi dữ liệu vào bộ nhớ
     - Các đường dữ liệu (Data) được đấu song song với các Bit nhớ trong mỗi ngăn nhớ
     - Khi một ngăn nhớ được kích hoạt (nhờ lệnh Add Bus), nếu lệnh RD (Read) được bật thì dữ liệu trong ngăn nhớ đó sẽ đọc ra các đường Data Bus, nếu lệnh WR (Write) được bật thì dữ liệu trong ngăn nhớ đó được thay thế bằng dữ liệu đang có trên các đường Data Bus


            Nguyên lý đọc và ghi dữ liệu vào các ngăn nhớ
     

   7 - Bộ dao động OSC và mạch AFC

  1. Bộ dao động OSC



    - Bộ dao động OSC có chức năng tạo ra xung Clock
    - Với các máy Nokia thì bộ dao động OSC tạo ra 26MHz rồi đưa qua IC RF chia tần để lấy ra xung Clock_13Mhz cấp cho CPU (xung Clock hay còn có tên là RF_CLK hoặc CLK_13M)
    - Các máy Samsung có một số dòng có mạch tạo xung Clock tương tự máy Nokia còn đa số các máy có Bộ dao động OSC tạo ra 13Mhz và đưa trực tiếp vào CPU



                             Sơ đồ nguyên lý của mạch tạo xung Clock trên máy Nokia các dòng DCT4, WD2, BB5
     
  2. Mạch AFC (Auto Friquency Control - Mạch tự động điều chỉnh tần số )
    - Bộ dao động OSC khi được cấp điện (VKĐ1) nó sẽ tạo ra dao động hình Sin, dao động này được sửa thành dạng xung trước khi đưa vào CPU, với các máy Nokia thì OSC tạo ra 26MHz hoặc 38,4MHz (dòng BB5) sau đó đưa qua IC RF chia tần lấy ra xung Clock cấp cho CPU
    - Thông qua tín hiệu thu được từ tổng đài, tín hiệu điều khiển từ tổng đài gửi xuống một xung dao động chuẩn (tương tự xung H.SYN đồng bộ dòng trong truyền hình), tín hiệu này được tách ra từ mạch giải mã âm tần Audio, chúng được cho so pha với tần số Clock từ CPU đưa tới để lấy ra điện áp AFC, điện áp này sẽ được đưa về chân AFC của bộ dao động OSC
    - Nếu tần số Clock của thuê bao trùng pha với tần số điều khiển của tổng đài thì điện áp AFC có một giá trị mặc định, khiến cho dao động ra từ bộ dao động OSC không thay đổi.
    - Nếu tần số Clock của thuê bao lệch pha với tín hiệu điều khiển từ tổng đài, khi đó điện áp AFC sẽ tăng hay giảm => đưa về bộ dao động OSC để điều chỉnh cho mạch này dao động trở về tấn số đúng, đây chính là quá trình đồng bộ tín hiệu giữa các thuê bao với tổng đài.
     
  3. Trường hợp mất tín hiệu AFC đưa về bộ dao động OSC
    - Khi bị mất tín hiệu AFC đưa về bộ dao động, bộ dao động OSC sẽ dao động tự do không chịu sự điều khiển của tín hiệu từ tổng đài và kết quả là chúng bị mất đồng bộ với tín hiệu từ tổng đài.
    - Trường hợp này sảy ra sẽ khiến cho tín hiệu thu bị chập chờn, máy bị mất sóng, vẫn có nguồn và các chức năng khác hoạt động bình thường.
     
  4. Trường hợp hỏng bộ dao động OSC
    - Nếu hỏng bộ dao động OSC thì sẽ mất xung Clock cấp cho CPU và như vậy CPU sẽ không hoạt động >> dẫn đến hiện tượng máy không mở được nguồn .


    IC nguồn
     

 II -  Phương pháp kiểm tra sửa chữa khối vi xử lý.

  1. Bệnh thường gặp của khối vi xử lý.
    Khối vi xử lý hư hỏng thường sinh ra các bệnh như sau

    1) Máy không lên nguồn
    2) Máy lên nguồn rồi tắt ngay
    3) Chạy sau ít phút máy bị treo, không mở được các chức năng khác.
    4) Mất hiển thị trên màn hình, trắng màn hình.
    5) Mất sóng
    6) Không xạc được

     
  2. Sửa chữa bệnh mất nguồn.

    Lược đồ kiểm tra sửa chữa bệnh mất nguồn như sau:

                          (Bạn đưa trỏ chuột vào lược đồ để xem hướng dẫn)

    Máy bật công tắc nhưng không lên nguồn, không có màn sáng. Kiểm tra khối nguồn tức là dùng đồng hồ đo dòng, chỉnh mức 4,2V cấp đúng âm dương cho điện thoại để kiểm tra xem V.BAT có chập không, bấm công tắc xem có dòng khởi động không ? - xem lại chương Sửa khối nguồn là sửa các bệnh chập V.BAT (nếu có) hoặc sửa bệnh mất dòng khởi động khi bấm công tắc nhưng máy không ăn dòng - Xem lại chương Check để kiểm tra CPU là bạn dùng hộp chạy phần mềm để Check (máy Nokia) hoặc GO (máy Sony) bạn sẽ biết được CPU có hoạt động hay không - Phần này sẽ hướng dẫn chi tiết ở chương trình phần mềm Chạy lại phần mềm cho điện thoại giống như việc ta cài lại Windows cho máy tính, tuy nhiên điện thoại ta phải có hộp Tool Box để hỗ trợ, phương pháp chạy phần mềm cho điện thoại sẽ được chúng tôi đề cập chi tiết trong Kiểm tra 3 điện áp khởi động là dùng đồng hồ vạn năng đo vào các tụ lọc trên đường điện áp khởi động - Cách đo sẽ được hướng dẫn ở phần sau Đóng lại chân IC nguồn là dùng mỏ hàn khò hàn lại chân của IC, tháo IC ra ngoài, tạo lại chân cho IC, cho IC vào đúng vị trí, khò cho chân tiếp xúc trở lại Đóng lại chân SRAM tương tự như đóng lại chân IC nguồn Check kiểm tra lại CPU là Check sau khi đóng chân IC nguồn hoặc SRAM, check xem CPU đã chạy chưa ? Nếu kết quả Check là Đóng lại chân CPU là khâu thực hiện sau cùng sau khi đã thực hiện hết các bước mà Check vẫn báo

     
    Ví dụ : Kiểm tra máy Nokia 6610 bị bệnh - không lên nguồn.

     Bước 1 - Kiểm tra nguồn V.BAT.
         - Dùng đồ hồ đo dòng, chỉnh ở mức 4,2V cấp đúng âm dương cho điện thoại.
            => Nếu kim dòng không lên (không có dòng tiêu thụ) khi ta chưa bấm công tắc là nguồn V.BAT của máy bình thường

    Bước 2 - Kiểm tra dòng khởi động (Lưu ý: Bước này chưa cần tháo vỏ máy)
      - Dùng đồng hồ đo dòng, chỉnh mức 4,2V cấp đúng âm dương cho điện thoại
      - Bấm công tắc mở nguồn và  quan sát đồng hồ dòng (A)
    Nếu => Máy có dòng khởi động như hình minh hoạ ở dưới (bấm công tắc kim nhích lên khoảng 10 đến 20mA)  là máy có khởi động => Nguồn tốt.
    Nếu kim dòng không nhúc nhích là mất khởi động, cần sửa chữa khối nguồn.



    Bước 3 - Check để kiểm tra xem CPU có chạy không ?

    Dùng hộp UFS - 6 (hoặc một hộp khác) để
    Check xem CPU có hoạt động không ?




    - Đấu điện thoại vào hộp bằng cáp chạy phần mềm (như ảnh trên)
    - Đấu hộp vào máy tính tính bằng cáp USB
    - Bật giao diện và thao tác theo các bước ở dưới đây
    - Nếu kết quả Check là "
    1 st Boot OK "  nghĩa là CPU có hoạt động => Suy ra máy bị lỗi phần mềm
    => Bạn chạy lại phần mềm cho máy, chạy xong là sẽ OK

       Bạn hãy kích chuột vào các hướng dẫn (khoanh tròn mầu đỏ) để nó chạy ngay  (như chạy thật 100%)
        (Kích vào Start để bắt đầu)


                                          
                       
       Minh hoạ cho thấy kết quả Check là " 1 st Boot OK " => CPU có hoạt động


    - Nếu kết quả Check là "
    1 st Boot Err " nghĩa là CPU không hoạt động (xem minh hoạ ở dưới)

       Bạn hãy kích chuột vào các hướng dẫn (khoanh tròn mầu đỏ) để nó chạy ngay  (như chạy thật 100%)



                                    Minh hoạ cho thấy kết quả Check là "
    1 st Boot Err " => CPU không hoạt động

        CPU không hoạt động là do một trong những nguyên nhân sau:
           - Thiếu điện áp khởi động
           - Mất xung Clock
           - Bong chân hoặc hỏng CPU
           - Bong chân hoặc hỏng SRAM

 III - Trả lời câu hỏi thường gặp.

  1. Câu hỏi 1 - Bạn hiểu khối điều khiển là gì, bao gồm những linh kiện gì, chúng làm nhiệm vụ gì trong máy?

    (Hãy tự mình trả lời rồi đối chiếu với kết quả sau)

    Trả lời:

    Khối điều khiển là gì ?
       Khối điều khiển hay còn gọi là khối Vi xử lý hoặc khối Logic - là khối thực hiện điều khiển các hoạt động của máy, bản thân khối điều khiển có thể được coi như một chiếc máy tính thu nhỏ, nguyên lý hoạt động của khối điều khiển tương tự như máy vi tính, tức là mọi hoạt động đều dựa trên phần mềm được lập trình sẵn và được nạp vào trong bộ nhớ.

    Khối điều khiển gồm các linh kiện sau đây:
         - CPU - là thành phần chính, thực thi các chương trình phần mềm được nhà sản xuất nạp vào trong bộ nhớ rồi tạo ra các lệnh điều khiển để điều khiển các hoạt động của máy.
         - Flash - IC nhớ cố định, lưu toàn bộ phần mềm điều khiển và phần mềm ứng dụng của máy để cung cấp cho các quá trình xử lý của CPU (chức năng của Flash giống như chức năng của ổ cứng trong máy tính)
         - SRam - IC nhớ tạm thời, lưu tạm các chương trình đang chạy để cung cấp trực tiếp cho CPU xử lý. (chức năng của SRAM  giống như chức năng của thanh RAM trong máy tính)
         - Bộ dao động OSC - tạo xung Clock cung cấp cho CPU hoạt động và đồng bộ dữ liệu cho toàn hệ thống.
         - Các phím bấm - giúp người sử dụng điều khiển máy.
         - Màn hình - hiển thị các thông tin về kết quả xử lý và tạo môi trường giao tiếp giữa máy với người sử dụng.

    Nhiệm vụ của khối điều khiển:
         - Bản thân khối điều khiển đã trở thành một chiếc máy, ví dụ các máy MP3, MP4 chỉ là khối điều khiển và có thêm một IC khuếch đại âm thanh và một chiếc loa là xong, trong điện thoại cũng vậy, trên các dòng máy PDA (Personal Digital Assittant - hỗ trợ công nghệ số trong thiết bị cá nhân) thì khối điều khiển rất mạnh, chúng giống như một chiếc máy tính thu nhỏ.
         - Trong điện thoại, khối điều khiển kiêm thêm các chức năng là:
                *  Điều khiển khối thu phát
                *  Điều khiển các mạch như Bluetooth, Camera, FM v v...
                *  Điều khiển rung, chuông
     
  2. Câu hỏi 2 - Khối vi xử lý điều khiển các bộ phận khác như thế nào ?

    (Hãy tự mình trả lời rồi đối chiếu với kết quả sau)

     Trả lời:

    - Bạn có thể ví các khối khác của điện thoại như một chiếc xe còn khối vi xử lý như người điều khiển, trong khối vi xử lý có CPU và Memory cũng giống như con người có chân tay và bộ lão, nếu một người khoẻ mạnh nhưng mất trí nhớ thì không thể lái xe được, điều này giống như điện thoại bị mất dữ liệu trong bộ nhớ (lỗi phần mềm)   thì điện thoại cũng không thể hoạt động được.

    2.1  - Khối vi xử lý điều khiển khối thu phát:
       - Để điều khiển khối thu phát hoạt động, ban đầu khối vi xử lý phải đưa ra lệnh mở nguồn  (PWR) đưa đến khối nguồn yêu cầu mở nguồn cho khối thu phát.
       - Sau đó ra lệnh (Enable) để cho phép khối thu phát hoạt động.
       - Khi hoạt động rồi khối vi xử lý sẽ trao đổi dữ liệu với khối thu phát thông qua các đường Data và Clock
      * Các quá trình hoạt động trên đều được lập trình trong phần mềm điều khiển và được nạp trong bộ nhớ, khi cần điều khiển khối gì đó hoạt động, CPU chỉ việc cho nạp chương trình điều khiển tương ứng rồi thực thi chúng.

    memory

            Khối vi xử lý điều khiển khối thu phát thông qua các đường lệnh


    2.2 - Khối vi xử lý điều khiển khối Bluetooth.
      - Bạn nhận thấy là cách thức mà khối vi xử lý điều khiển các khối là tương tự như nhau, điểm khác nhau là tên các đường điện áp, phương thức hoạt động trong các khối và dữ liệu trao đổi giữa các khối với vi xử lý.
    Bluetooth

           Vi xử lý điều khiển mạch Bluetooth

    2.3 - Khối vi xử lý điều khiển Camera.
     -  Khi nhận lệnh mở Camera từ người sử dụng tác động qua bàn phím, CPU sẽ cho nạp chương trình điều khiển Camera trong bộ nhớ rồi thực thi chúng để cho ra các tín hiệu điều khiển, ban đầu là lệnh mở nguồn cho Camera, tiếp theo là lệnh cho phép Camera hoạt động, sau đó CPU sẽ nhận dữ liệu từ Camera giửi về rồi ghi vào bộ nhớ SRAM, khi Seve thì thông tin sẽ ghi vào Flash hoặc thẻ nhớ.
    - Thông tin từ Camera gửi về là thông tin một chiều.
    Camera
       
                              Mạch điều khiển Camera

     
  3. Câu hỏi 3 - Thế nào được gọi là hỏng khối điều khiển, nguyên nhân hỏng là gì ?

    (Hãy tự mình trả lời rồi đối chiếu với kết quả sau)

    Trả lời:


    Khi khối điều khiển không đưa ra được lệnh điều khiển nào thì được coi là bị hỏng.

    Nguyên nhân:
      - Thiếu điện áp khởi động  (do hỏng hoặc bong chân IC nguồn)
      - Hỏng bộ dao động OSC (mất xung Clock)
      - Hỏng hoặc bong chân CPU
      - Hỏng hoặc bong chân Flash
      - Hỏng hoặc bong chân SRAM
      - Lỗi phần mềm
     
  4. Câu hỏi 4 - Khi hỏng khối điều khiển thường sinh ra những bệnh gì ?

    (Hãy tự mình trả lời rồi đối chiếu với kết quả sau)

    Trả lời:

    *  Có đến 70% hư hỏng trên khối điều khiển là sinh ra bệnh mất nguồn (máy không lên nguồn hoặc lên màn hình rồi tắt ngay)
    *  30% còn lại là liên quan đến các bệnh khác như:
           - Máy không nhận thẻ nhớ
           - Máy không nhận SIM
           - Mất hiển thị trên màn hình
           - Mất sóng
           - Mất rung, chuông
           - Không sử dụng được Camera v v...
     
  5. Câu hỏi 5 - Làm thế nào để biết được khối vi xử lý có hoạt động hay không ?

    (Hãy tự mình trả lời rồi đối chiếu với kết quả sau)

    Trả lời:

    - Khối vi xử lý hoạt động đồng nghĩa với CPU hoạt động và nạp được phần mềm "tốt" .
    - Để nạp được phần mềm "tốt" thì cần có Flash tốt và không lỗi phần mềm.

    Để xác định xem CPU có hoạt động không ta làm như sau:
      - Dùng hộp chạy phần mềm để "Check" với các máy Nokia hoặc "GO" với các máy Sony hoặc "Mobile Info" với các máy SAMSUNG

    *  Để kiểm tra CPU của máy NOKIA có hoạt động không ? bạn xem lại phần trên.

    *  Để kiểm tra CPU của máy SONY có hoạt động không ? bạn làm như sau:

        Kích vào Start để bắt đầu, kích vào các chú thích (vòng tròn đỏ) để chạy ngay


     

 

 

 

        hocnghetructuyen.vn

Bài 2 - Phân tích khối vi ử lý máy Nokia 8210

 Khối vi xử lý trên máy NOKIA 8210 (dòng DCT3)
  1. Sơ đồ khối  vi xử lý máy Nokia 8210

    CPU thành phần chính trong khối vi xử lý Bộ dao động OSC tạo xung Clock cung cấp cho CPU Bộ nhớ tích hợp FLASH và SRAM là thành phần thứ 2 trong khối vi xử lý IC nguồn, do CPU điều khiển duy trì nguồn và điều khiển mở nguồn thứ cấp Phím bấm để nhập lệnh yêu cầu vào cho CPU xử lý Màn hình LCD IC điều khiển Rung chuông IC RF và IC Audio của khối thu phát do vi xử lý điều khiển

                               Sơ đồ khối vi xử lý của máy Nokia 8210 (dòng DCT3)

    Phân tích sơ đồ khối:
    Khối vi xử lý của máy Nokia 8210 gồm các thành phần CPU, bộ nhớ FLASH và SRAM và bộ dao động OSC

    CPU  (D200)  thực hiện các nhiệm vụ - nhận yêu cầu từ bàn phím hay khối thu phát rồi cho nạp phần mềm tương ứng trong bộ nhớ sang thanh ghi rồi thực thi phần mềm => cho ra lệnh điều khiển.

    FLASH & SRAM hai IC nhớ tích hợp trong một linh kiện, có chức năng lưu trữ toàn bộ phần mềm điều khiển và phần mềm ứng dụng của máy để cung cấp cho CPU xử lý.

    OSC - Bộ dao động tạo xung Clock, tạo ra 26MHz rồi đưa qua IC RF chia tần lấy ra xung Clock - 13Mhz cấp cho CPU, nếu mất xung Clock thì CPU không hoạt động được

    Sau khi khối vi xử lý hoạt động nó sẽ điều khiển toàn bộ sự hoạt động của các khối khác, trong đó lệnh điều khiển đầu tiên và quan trọng nhất là lệnh duy trì nguồn, nếu mất lệnh này thì máy sẽ không lên nguồn.

    VCO

     
  2. Các lệnh điều khiển khối nguồn

    CPU điều khiển khối nguồn thông qua các đường lệnh để duy trì nguồn khưỏi động và cho ra nguồn thứ cấp IC nguồn cấp nguồn cho khối vi xử lý hoạt động nhưng sau đó lại chịu sự điều khiển của khối vi xử lý để duy trì nguồn khưỏi động và tạo ra các điện áp thứ cấp Mạch chia tần trong IC RF chia tần số 26Mhz do OSC tạo ra để lấy ra 13MHz cấp cho CPU Bộ nhớ FLASH và SRAM lưu tón bộ phần mềm cung cấp cho CPU xử lý Bộ dao động OSC

                                 Các lệnh điều khiển khối nguồn của vi xử lý

       Sau khi vi xử lý hoạt động và nạp được phần mềm, lệnh đầu tiên nó điều khiển là các lệnh quay về IC nguồn trong đó lệnh duy trì nguồn là quan trọng nhất (CCONT CS và CCON INT) hai lệnh này sẽ chọn chế độ làm việc cho IC nguồn và duy trì các điện áp khởi động.
       Các lệnh RX_PWR và TX_PWR sẽ điều khiển UEM mở ra các điện áp VRX và VTX để cấp cho khối thu phát, SYN_PWR điều khiển mở ra điện áp VSYN cấp kho mạch đồng bộ trong RF.
     
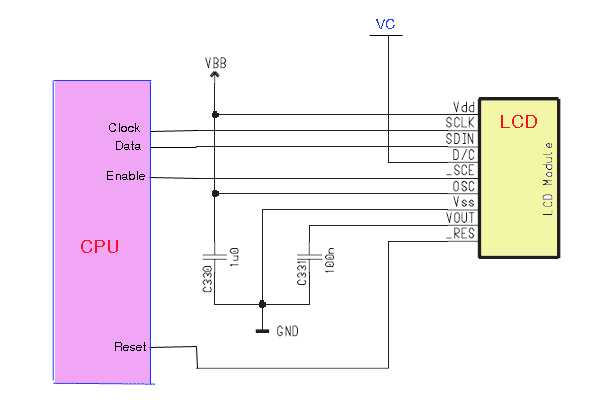
  3. Các lệnh điều khiển màn hình LCD đen trắng
    Màn hình LCD
                            Mạch điều khiển màn hình LCD
    - VBB - Điện áp cung cấp cho màn hình
    - Clock - Xung Clock cấp cho màn hình
    - Data - Chân dữ liệu
    - Enable - Lệnh cho phép màn hình hoạt động
    - Reset - Lệnh khởi động màn hình
    * Nếu đứt một trong các đường tín hiệu trên thì màn hình sẽ mất tín hiệu ảnh, sinh ra trắng màn hình.
    * Nếu các đường tiếp xúc kém thì ảnh mờ và mất nét.
    => Toàn bộ dữ liệu trên màn hình là do phần mềm điều khiển, CPU có nhiệm vụ đưa các phần mềm đó ra màn hình để hiển thị, khi lỗi phần mềm thì máy có thể mất hình hoặc ngược chữ, vào các menu không được...
     
  4. Mạch điều khiển khối thu phát

     
    IC RF xử lý tín hiệu cao tần IC Audio - xử lý mã âm tần  

    - SYN DATA - Truyền dữ liệu đến IC RF
    - SYN CLK - Xung Clock
    - SYN EN - Cho phép IC RF hoạt động
    - SYN RST - Khởi động IC RF

    - I-DATA - Trao đổi dữ liệu I/Q  với IC Audio
    - Q-DATA - Trao đổi dữ liệu I/Q  với IC Audio
    - COBBA DATA - Dữ liệu điều khiển IC Audio
    - COBBA - Xung Clock để giải mã dữ liệu
    - COBBA CS - Chọn chế độ hoạt động cho IC Audio
    - COBBA RST - Khởi động IC Audio

               Vi xử lý điều khiển khối thu phát
    - Nếu đứt một trong các đường mạch sang IC RF như SYN DAT, SYN CLK hay SYN RST thì IC RF không hoạt động vì vậy máy mất sóng.
     - Nếu đứt các đường mạch sang IC Audio thì IC Audio không hoạt động và máy chữ " Contact Service " trên màn hình

    VCO Memory Charrging - IC xạc UEM - IC nguồn P.A - công suất phát
         IC vi xử lý CPU , RF và Audio trên vỉ máy Nokia 8210

     

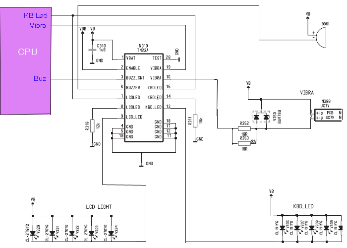
  5. Mạch điều khiển Rung-Chuông-Led
    Mạch Rung-Chuông-Led sử dụng một IC khuếch đại các tín hiệu điều khiển từ CPU tới bao gồm:
       - Lệnh KB Led - từ CPU đưa tới IC điều khiển đóng điện áp cấp cho các đèn Led chiếu sáng trên àmn hình và bàn phím
       - Vibra - Lệnh từ CPU đưa tới IC điều khiển điện áp cấp cho Mô tơ rung
       - Buzz - Tín hiệu chuông đưa tới IC để khuếch đại rồi đưa tới chuông để phát ra âm thanh
    Ic Rung - Chuông - Led
     
                                                  Mạch điều khiển Rung-Chuông- Led



             IC Điều khiển Rung-Chuông-Led trên vỉ máy

     
  6. Mạch điều khiển xạc
    - VCHAR - Chân báo điện áp xạc
    - ICHAR - Chân báo dòng xạc
    - VBACK - Điện áp hồi tiếp từ IC xạc về mạch tạo xung PWM trên IC nguồn để ổn định dòng xạc
    - PWM - Xung điều chế độ rộng, điều khiển đèn công suất trong IC xạc.
    - BSI - Chân báo dung lượng Pin
    - BTEM - Chân báo nhiệt độ Pin
    - CHARLIM - Giới hạn dòng xạc vào Pin
    - CCUT - Lệnh ngắt dòng xạc vào Pin
    IC điều khiển xạc - Charging
                        Mạch điều khiển xạc trên máy Nokia 8210


     

    Nguyên lý hoạt động của mạch xạc
    - Khi cắm điện xạc cho máy, điện áp xạc đi qua cầu phân áp báo về chân VCHAR của IC nguồn, mạch điều khiển xạc trong IC nguồn sẽ cho ra xung PWM đưa đến IC xạc.
    - Khối điêu khiển sẽ phân tích dung lượng Pin thông qua chân BSI đưa về IC nguồn rồi từ IC nguồn báo về CPU, nếu thoả mãn các điều kiện là Pin chưa đầy và không quá cạn thì CPU sẽ cho phép dòng xạc đi vào Pin thông qua lệnh CHARLIM
    - Khi Pin đầy hoặc khi Pin quá cạn thì CPU sẽ ngắt xạc thông qua lệnh CCUT
    - Điện áp hồi tiếp VBACK từ IC xạc về IC nguồn để tự động điều chỉnh dòng xạc vào Pin được ổn định
    - Chân ICHAR theo dõi điện áp ra để cung cấp cho mạch báo xạc.

     

 Phân tích các bệnh thường gặp liên quan đến khối vi xử lý của các máy Nokia dòng DCT3

  1. Bệnh 1 - Máy bật không lên nguồn.

    Nguyên nhân:



    Lược đồ kiểm tra và sửa chữa





    Các bước kiểm tra:

    Bước 1 - Kiểm tra khối nguồn
        - Dùng đồng hồ dòng, chỉnh ở mức khoảng 4,2V cấp đúng âm dương cho điện thoại
        - Nếu chưa bấm công tắc mà máy chưa ăn dòng là V.BAT tốt, không chập.
        - Khi bấm công tắc thấy máy ăn dòng từ 10 đến 20mA là máy có dòng khởi động hay IC nguồn đã có áp khởi động
         (Nếu mới cấp nguồn chưa bấm công tắc mà dòng tiêu thụ đã tăng vọt là chập V.BAT, hoặc khi bấm công tắc mà máy
           không ăn dòng là mất dòng khởi động => Bạn xem lại khối nguồn để biết cách sửa chữa)                         

     
                  Minh hoạ trên cho thấy nguồn V.BAT bình thường, máy có dòng khởi động => suy ra "Nguồn tốt"

    Bước 2 - Kiểm tra khối điều khiển
       - Dùng hộp chạy phần mềm UFS-6 hoặc hộp khác để "Check" kiểm tra xem vi xử lý có hoạt động không ?



    Đấu điện thoại vào hộp UFS-6 bằng cáp chạy phần mềm, đấu hộp vào máy tính

    Bật giao diện chạy phần mềm cho Nokia rồi làm theo hướng dẫn ở hình minh hoạ sau đây:

    Ban đầu bạn kích vào nút   Start     sau đó kích vào các phím trên giao diện theo hướng dẫn, kết quả "Check" mà báo
     "1 st Boot OK" nghĩa là CPU đã  hoạt động, nếu máy không lên nguồn là do lỗi phần mềm hoặc hỏng FLASH




    Bước 3 - Chạy lại phần mềm cho máy
    - Nếu bạn "Check" mà kết quả là "1 st Boot OK" nghĩa là CPU đã chạy, nếu như máy không lên nguồn là do "Lỗi phần mềm", bây giờ bạn hãy chạy lại phần mềm cho máy là xong.
    - Xem hướng dẫn chạy phần mềm trong chương trình "Phần mềm điện thoại"

    Bước 4 - Sửa phần cứng tiếp
    - Nếu bạn "Check" mà kết quả là "1 st Boot Err" thì CPU chưa hoạt động, điều này có nghĩa là các điều kiện cấp cho CPU chưa đầy đủ hoặc bản thân CPU hỏng hay bong mối hàn, các nguyên nhân làm cho CPU không hoạt động như sau:
         - Thiếu điện áp khởi động (thường do bong chân IC nguồn)
         - Mất xung Clock (thường do nước vào làm hỏng bộ dao động OSC)
         - Hỏng IC nhớ SRAM (hỏng SRAM thì cũng không "Check" được)
         - Bản thân CPU bị ỏng hoặc bong chân
     Bây giờ bạn cần tiến hành kiểm tra tiếp như sau:
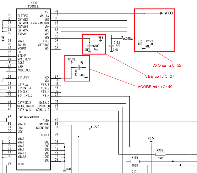
     1) Kiểm tra 3 điện áp khởi động
       - Xác định tên các điện áp khởi động:
           Dòng máy Nokia có 3 áp khởi động là VXO, VCORE và VBB
      - Xác định tụ lọc trên các đường điện áp trên
            a) Bạn cần dựa vào sơ đồ nguyên lý để xác định các tụ lọc
                  UEM

                           Các tụ lọc trên các đường điện áp khởi động


               b) Đối chiếu với sơ đồ vị trí để biết vị trí các tụ trên

          

          Đối chiếu với vỉ máy để biết các tụ trên trên vỉ máy thực tế

     Bạn đo vào đầu tụ, dùng đồng hồ vạn năng để thang  2,5V DC, vừa đo vừa bấm công tắc mở nguồn và tất nhiên bạn phải cấp nguồn dương âm cho điện thoại, (bạn đo vào cả hai đầu tụ để khỏi phải xác định đầu dương âm) lúc đo vào đầu tụ  và bấm công tắc, nếu kim đồng hồ nhích lên một chút  => tức là có điện áp ra.

      c) Đo điện áp khởi động trên các tụ đó (vì bạn không thể đo vào chân IC)
      - Dùng đồng hồ dòng chỉnh khoảng 4V, cấp nguồn cho điện thoại.
      - Dùng đồng hồ vạn năng, để nấc 2,5V DC, que đen (xanh) đặt vào Mass máy, que đỏ đặt vào đầu các tụ
           - Tụ C107 nếu bạn muốn đo áp VBB
           - Tụ C140 nếu bạn muốn đo áp VCORE
           - Tụ C152 nếu bạn muốn đo ps VXO
      - Bấm công tắc mở nguồn điện thoại và quan sát kim đồng hồ vạn năng, nếu thấy lên kim => có áp khởi động ra (kim sẽ trả về 0 V vì máy chưa hoạt động nên các điện áp khởi động không duy trì)

    Bạn hãy xem minh hoạ cách đo như hình bên dưới


     
      
                                       Hướng dẫn đo các điện áp khởi động trên điện thoại Nokia 8210
                                             (cách đo trên các máy khác hoàn toàn tương tự)



     2) Đóng chân IC nguồn.
      - Nếu như bạn đo các điện áp khởi động mà thấy thiếu một hoặc hai điện áp thì => suy ra IC nguồn hỏng hoặc bong chân
        Bạn cần đóng lại chân IC nguồn, sau đó kiểm tra lại.

     3) Đóng chân SRAM hoặc thay bộ dao động OSC, đóng chân CPU
      - Nếu như bạn kiểm tra các điện áp khởi động đã đầy đủ mà CPU không chạy là do 3 nguyên nhân còn lại như sau:
                - Hỏng bộ dao động OSC hoặc bong chân IC RF => mất xung Clock
                - Bong chân hoặc hỏng IC nhớ SRAM
                - Bong chân hoặc hỏng CPU
      Bạn hãy xử lý các nguyên nhân trên, thay thế CPU là phức tạp nhất nên bạn xử lý CPU sau cùng.

     

 

 

        hocnghetructuyen.vn

Bài 3 - Phân tích khối vi ử lý máy Nokia 1110i

 Phân tích khối vi xử lý của máy Nokia 1110i

  1. Sơ đồ khối vi xử lý máy Nokia 1110i

                        
     Bạn đưa trỏ chuột vào sơ đồ để xem chú thích

    CPU - điều khiển các hoạt động của máy như - Điều khiển tắt mở nguồn, điều khiển màn hình LCD, điều khiển rung chuông, điều khiển chiếu sáng màn hình bàn phím, điều khiển khối thu phát, điều khiển SIM, điều khiển xạc. Màn hình LCD do CPU điều khiển trực tiếp Mạch Led_Drive tạo điện áp chiếu sáng màn hình và bàn phím Các phím bấm là ma trận giữa hàng và cột giúp người sử dụng nhập thông tin vào CPU Bộ nhớ tích hợp FLASH và SRAM lưu trữ toàn bộ phần mềm điều khiển và phần mềm ứng dụng của máy để cung cấp cho CPU xử lý Ic RF - xử lý tín hiệu cao tàn do CPU điều khiển Bộ dao động OSC tích hợp trong IC RF - tạo xung Clock cung cấp cho CPU hoạt động IC nguồn quản lý các điện áp khởi động và áp thứ cấp Mạch Audio của khối thu phát được tích hợp trong IC nguồn - do CPU điều khiển sự hoạt động Mạch khuếch đại tín hiệu điều khiển rung, chuông được tích hợp trong IC nguồn, lệnh rung chuông do CPU điều khiển Mạch xạc được tích hợp trong IC nguồn do CPU điều khiển Machj quản lý SIM tích hợp trong IC nguồn nhưng do CPU điều khiển SIM kết nối trực tiếp với IC nguồn nhưng do CPU điều khiển Các điện áp thứ cấp cấp cho khối thu phát Ba điện áp khởi động cấp cho khối vi xử lý

                                      Sơ đồ khối máy Nokia 1110i

    1.1 - Thành phần của khối điều khiển

     - CPU (D2800) - IC vi xử lý : Điều khiển hầu hết các hoạt động của máy, quá trình xử lý là quá trình CPU cho nạp phần mềm trong bộ nhớ Memory, thực thi phần mềm rồi đưa ra các lệnh điều khiển.
     - Memory (D3000) - Tích hợp cả FLASH và SRAM, Memory lưu trữ toàn bộ phần mềm điều khiển và phần mềm ứng dụng của máy để cung cấp cho CPU xử lý và điều khiển máy.
    - OSC (tích hợp trong IC RF) - Tạo xung Clock cung cấp cho CPU hoạt động và đồng bộ dữ liệu trong máy.
    - Keypad (phím bấm) - Giúp người sử dụng nhập thông tin điều khiển máy.

    Điều kiện để CPU hoạt động:
       - Có đủ các điện áp khởi động VCORE và VIO
       - Có xung Clock
       - SRAM tốt
       - Bản thân CPU tốt, không bong chân

    Làm thế nào để biết CPU có hoạt động hay không ?
       => Bạn hãy dùng hộp chạy phần mềm để "Check", nếu kết quả báo "1 st Boot OK" là CPU đang chạy, nếu kết quả "Check" báo  "1 st Boot Err" là CPU không hoạt động.

    Điều kiện để CPU cho ra các lệnh điều khiển là gì ?
         - Trước hết CPU phải hoạt động.
         - CPU nạp được phần mềm trong FLASH  (FLASH tốt và phần mềm không lỗi)

    Chân Pin
                      Vỉ máy Nokia 1110i
     
  2. Vi xử lý điều khiển khối nguồn
    Vi xử lý điều khiển khối nguồn để duy trì điện áp khởi động và mở ra các điện áp thứ cấp thông qua các đường lệnh:
      - INT - Lệnh ngắt nguồn.
      - CLOCK - xung Clock
      - DATA - Dữ liệu số
      - ENABLE - Lệnh cho phép khối nguồn hoạt động



        
                      Các lệnh mà CPU điều khiển IC nguồn
     
  3. Vi xử lý điều khiển màn hình LCD
    Màn hình LCD do CPU điều khiển trực tiếp thông qua các đường tín hiệu:
       - LCD_CLK - Xung Clock cấp cho màn hình để giải mã dữ liệu Data
       - LCD_SDA - Tín hiệu Data đưa dữ liệu lên màn hình
       - LCD_CSX - Chọn chế độ làm việc cho màn hình
       - LCD_RESETX - Lệnh Reset để khởi động và làm tươi màn hình
       - Back Light - Điện áp cấp cho mạch chiếu sáng màn hình
       - VIO - Nguồn cấp cho màn hình
       - VFLASH1 - Nguồn cấp cho màn hình
    * Nếu bị đứt một trong các đường mạch Data, Clock, Reset, VIO hoặc VFLASH1 sẽ sinh ra bệnh mất hiển thị, trắng màn hình.
    * Các trường hợp như: hiển thị ra chữ nhỏ li ti, ngược chữ, hiển thị sai hoặc hiện chữ "Contact Service" là do lỗi phần mềm.
    Màn hình LCD
                                                     Vi xử lý điều khiển màn hình LCD


    Connect kết nối đến màn hình

                             Connect chân kết nối giữa vỉ máy và màn hình LCD
     
  4. Mạch điều khiển chiếu sáng màn hình và bàn phím
    Mạch bao gồm:
    - IC tăng áp N2400
    - Cuộn dây tạo điện áp cảm ứng L2400
    - Điện áp vào là nguồn V.BAT
    Mạch do CPU điều khiển cho phép hoạt động hay không thông qua lệnh EN (Enable)

    IC tăng áp
    Các chân của IC:
     - EN (Enable) - Chân cho phép mạch hoạt động
     - IND - Chân điện áp vào
     - FB (Fly Back) - Chân hồi tiếp để tự động điều chỉnh điện áp ra
     - NC - Chân đấu Mass
     - GND (Ground) - tiếp đất - Chân Mass
     - VDD - Chân nguồn cung cấp
     - VOUT - Chân điện áp ra
    => Mạch cho ra điện áp khoảng 7,5V
                     bạn đưa trỏ chuột vào sơ đồ để xem chú thích
    Mạch nhận lệnh cho phép hoạt động từ CPU Mạch tạo dao động Tạo ra điện áp chuẩn để đưa vào mạch so sánh với điện áp hồi tiếp Mạch tạo xung điều chế độ rộng để điều khiển đèn Mosfet đóng mở Mạch điều khiển cực cổng Mosfet đóng mở để tạo ra điện áp cảm ứng sau cuộn dây Đèn Mosfet để chỉnh lưu điện áp xung thành áp một chiều Cuộn dây tạo ra điện áp cảm ứng có biên độ cao hơn điện áp vào khi đèn công suất đóng mở Tụ lọc nguồn V.BAT Tuj lọc điện áp ra 7,4V thành áp một chiều trước khi cấp cho đèn Led chiếu sáng màn hình, bàn phím Trở thoát Mass đồng thời tạo ra điện áp hồi tiếp về IC nhằm tự động điều chỉnh điện áp ra Led chiếu sáng trên màn hình và bàn phím
                              Sơ đồ mạch Led_Drive có sơ đồ trong IC 



     
  5. Mạch điều khiển SIM_Card
    Từ CPU điều khiển SIM đi qua IC nguồn qua các đường mạch.
    - SIM DAT - Trao đổi dữ liệu với SIM
    - SIM CLK - Xung Clock đưa tới SIM để giải mã dữ liệu Data
    - SIM RST - Lệnh khởi động SIM
    - Từ IC nguồn cho ra điện áp VSIM để cấp nguồn cho SIM

    Mạch bảo vệ SIM
      - Thực chất mạch bảo vệ SIM là bảo vệ IC nguồn tránh các trường hợp như - Lắp ngược SIM, gắn SIM vào không hết, SIM hỏng => gây ra chập chân SIM khi đó nếu không có mạch bảo vệ thì IC nguồn có thể bị hỏng.
      - Tuy nhiên khi mạch bảo vệ SIM hỏng lại là nguyên nhân gây ra bệnh máy không nhận SIM
      - Mạch bảo vệ thực chất là những Đi ốt Zener chúng sẽ bị chạm chập khi điện áp đặt vào cao quá mức cho phép, gây ra bệnh máy không nhận SIM (máy báo Insert SIM hoặc No SIM v v...)


                                     Mạch điều khiển SIM Card trên máy Nokia 1110i




                                    Mạch bảo vệ SIM trên vỉ máy

    Hướng dẫn đấu tắt chíp bảo vệ SIM trên máy Nokia 1110i
       Chíp bảo vệ SIM rất hay bị hỏng do người sử dụng gắn SIM vào không hết hoặc dùng SIM bị chập làm cho máy không nhận SIM, tuy nhiên để thay linh kiện này vừa không có sẵn linh kiện, vừa khó thay do chúng quá nhỏ, nhưng bạn có thể tháo bỏ và đấu tắt theo sơ đồ như sau:
         - Chân đánh dấu chấm trên thân chíp bảo vệ sẽ tương ứng với chân bỏ trống ở trên mạch in (xem ảnh)
         - Bạn hãy câu tắt chân bảo vệ SIM theo lược đồ như hình dưới đây là OK.
         
                            Hướng dẫn đấu tắt chíp bảo vệ SIM
     
  6. Hệ thống phím bấm
    Mỗi phím bấm là sự giao nhau giữa hàng và cột, khi ta bấm một phím thì sẽ chập từ một hàng vào một cột
    - Nếu mất tác dụng của một phím thì thường do bản thân phím đó không tiếp xúc
    - Nếu đứt mạch thì thường bị mất một dãy phím theo chiều ngang hoặc chiều dọc không có tác dụng
    - Bộ lọc bàn phím có tác dụng triệt tiêu các xung điện xâm nhập qua bàn phím không cho chúng tác động làm hỏng CPU


                                    Mạch các phím bấm và bộ lọc




                                     Bảo vệ phím bấm hay bộ lọc bàn phím

     

 Trả lời một số câu hỏi và phân tích bệnh

  1. Để khối vi xử lý hoạt động bình thường thì cần những điều kiện gì ?

    Trả lời:

    Để khối vi xử lý hoạt động bình thường, cần có hai điều kiện:
        - CPU hoạt động
        - CPU nạp được phần mềm "tốt" trong Flash.

    *  Điều kiện để CPU hoạt động được là:
         - Có đủ hai điện áp khởi động cấp cho CPU (điều này đồng nghĩa với IC nguòn tốt, không bong chân)
         - Có xung Clock cấp cho CPU (đồng nghĩa với bộ dao OSC hoạt động tốt)
         - Bản thân CPU tốt, không bong chân.
         - SRAM tốt, không bong chân.

    *  Điều kiện để CPU nạp được phần mềm tốt trong Flash là:
        - Flash tốt, không bong chân.
        - phần mềm tốt, không bị lỗi.
     
  2. Điều kiện để máy mở được nguồn là gì ?

    Trả lời

    Để điện thoại lên được nguồn thì cần có 3 điều kiện:
    - Khối nguồn tốt
    - Khối vi xử lý tốt
    - Các mạch khác không gây chập đường nguồn.

    Cho biết các hiện tượng có thể sinh ra khi các điều kiện trên không thoả mãn
    - Nếu nguồn không tốt nghĩa là có thể bị chập V.BAT hoặc mất dòng khởi động, khi đó bạn không thể mở được nguồn.
    - Nếu hỏng khối điều khiển nghĩa là không có lệnh duy trì nguồn thì máy không thể mở được nguồn.
    - Nếu chập các mạch khác: ví dụ chập IC RF - khi đó máy vừa lên nguồn rồi tắt hoặc bị treo do sau khi máy lên nguồn, IC nguồn mới cấp điện cho RF hoạt động => RF đang chập nên gây sụt áp nguồn V.BAT và máy bị tắt hoặc bị treo cứng.

     
  3. Cho biết nguyên nhân của bệnh máy không lên nguồn và phương pháp kiểm tra sửa chữa

    Trả lời :

    3.1 - Nguyên nhân máy không lên nguồn




    3.2 - Lược đồ kiểm tra sửa chữa




    Bước 1 - Kiểm tra khối nguồn

    Chỉnh đồng hồ dòng khoảng 4V, cấp nguồn cho điện thoại, đấu đúng âm dương
    - Khi chưa bấm công tắc mà máy không ăn dòng (đồng hồ Ampe không lên kim) là V.BAT tốt, không dò, không chập
    - Khi bấm công tắc, kim dòng (đồng hồ Ampe) nhích lên một chút khoảng 10 đến 20mA => là máy có dòng khởi động
    => Nếu thoả mãn như hai điều kiện trên là khối nguồn tốt



              Kiểm tra nguồn V.BAT và òng khởi động

    Bước 2 - Kiểm tra khối điều khiển

    a) Dùng hộp chạy phần mềm để  "Check" xem vi xử lý có hoạt động không ?
       - Đấu điện thoại vào hộp UFS-6 (hoặc hộp nào đó khác)
       - Đấu hộp vào máy tính

            Dùng hộp chạy phần mềm để   "Check" kiểm tra CPU

    Bạn hãy thao tác theo các hướng dẫn ở giáo trình tương tác sau đây, quá trình hoạt động diễn ra như thực tế 100%
    Hãy kích vào chữ    Start      để bắt đầu
    - Kết quả Check sau cùng nếu báo là   "1 st Boot OK" là CPU đang chạy


         
                          Kiểm tra cho thấy khi "Check" cho kết quả là "1 st Boot OK " tức là CPU đang hoạt động

    b) Chạy lại phần mềm cho máy:
       Nếu như CPU đã hoạt động (khi Check báo "1 st Boot OK") thì bạn hãy chạy lại phần mềm cho máy, chạy xong là máy sẽ lên nguồn (cách chạy phần mềm sẽ đề cập trong Giáo trình phần mềm)

    c) "Check" thấy báo "1 st Boot Err" cho biết CPU không hoạt động
    Bạn hãy thao tác theo các hướng dẫn ở giáo trình tương tác sau đây, quá trình hoạt động diễn ra như thực tế 100%
    Hãy kích vào chữ    Start      để bắt đầu
    - Kết quả Check sau cùng nếu báo là   "1 st Boot Err" là CPU không hoạt động.



                      Kiểm tra cho thấy khi "Check" báo "1 st Boot Err" => suy ra CPU không hoạt động

    CPU không hoạt động là do các nguyên nhân:
        - Thiếu áp khởi động ( do bong chân IC nguồn)
        - Mất xung Clock do hỏng bộ dao động OSC
        - Bong chân hoặc hỏng SRAM
        - Bong chân hoặc hỏng CPU


    Bước 3 - Kiểm tra sửa chữa khi CPU không hoạt động
       Phương pháp kiểm tra
      Xác định 3 điện áp khởi động của máy Nokia 1110i là:    VR2, VCORE và VIO
      a)  Tìm trên sơ đồ nguyên lý các tụ lọc (cỡ µF) trên các đường điện áp trên

         
                              Xác định tên tụ lọc trên các đường điện áp VR2, VIO và VCORE

    b)  Tìm trên sơ đồ vị trí các tụ trên



                                   Tìm vị trí các tụ trên sơ đồ vị trí




                                         Đối chiếu với vỉ máy để biết vị trí của các tụ lọc trên

    Cách đo các điện áp khởi động:
      - Cấp nguồn khoảng 4V cho điện thoại
      - Chỉnh đồng hồ vạn năng ở thang 2,5V DC
      - Đặt que đo vào đầu các tụ  C2227 để đo áp VR2, C2204 để đo áp VIO hoặc C2205 để đo áp VCORE
      - Bấm công tắc mở nguồn và quan sát đồng hồ:
         Nếu kim đồng hồ nhích lên khoảng 1 đến 2V là đã có điện áp ra
           (Đo vào cả hai đầu tụ chỉ cần một đầu thấy có điện là được)


                         Đo các điện áp khởi động

    Nếu như:
       - Đo thấy thiếu một điện áp khởi động => Suy ra IC nguồn bị bong chân hoặc hỏng => Đóng lại hoặc thay IC nguồn
       - Đo thấy có đủ 3 điện áp khởi động ra => Suy ra IC nguồn tốt
     Bạn hãy xử lý như sau:
       - Đóng lại chân SRAM
       - Nếu không được thì thay bộ dao động OSC
       - Nếu không được thì đóng lại chân hoặc thay CPU.
    Sau mỗi thao tác bạn nên cho vào hộp chạy phần mềm "Check" lại để xem đã "1 st Boot OK" chưa ?, nếu chưa được thì mới thao tác tiếp.

     

 

Gọi điện